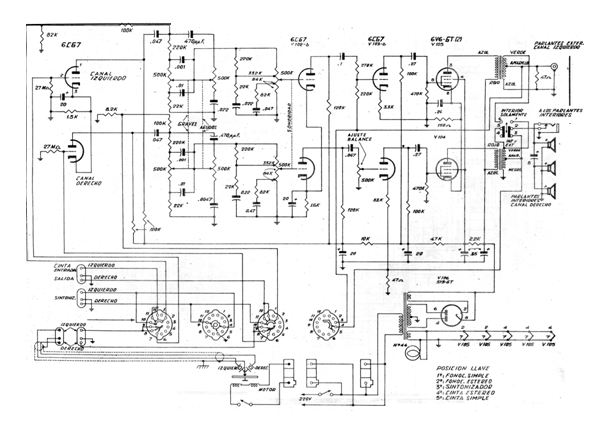
Este es un circuito comercial de un amplificador estéreo de la década de 1970. Los componentes críticos de este circuito son los transformadores usados en la salida y alimentación, además de las válvulas.

Amplificador Estéreo
Este es un circuito comercial de un amplificador estéreo de la década de 1970. Los componentes críticos de este circuito son los transformadores usados en la salida y alimentación, además de las válvulas.
