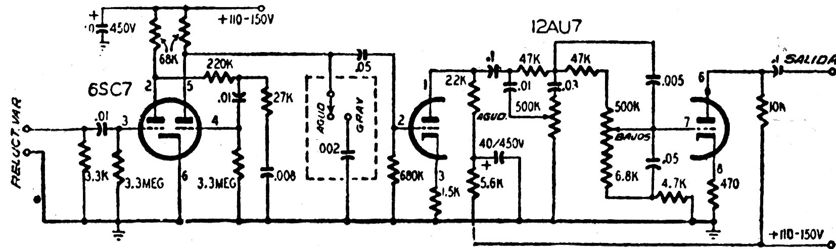
Este antiguo circuito se utilizaba con fonocaptores de renuencia variable de la época. El circuito es alimentado normalmente por la propia fuente del amplificador con el que debe operar. Se emplean válvulas de doble triángulo y hay una llave para reproducir o grabar.




