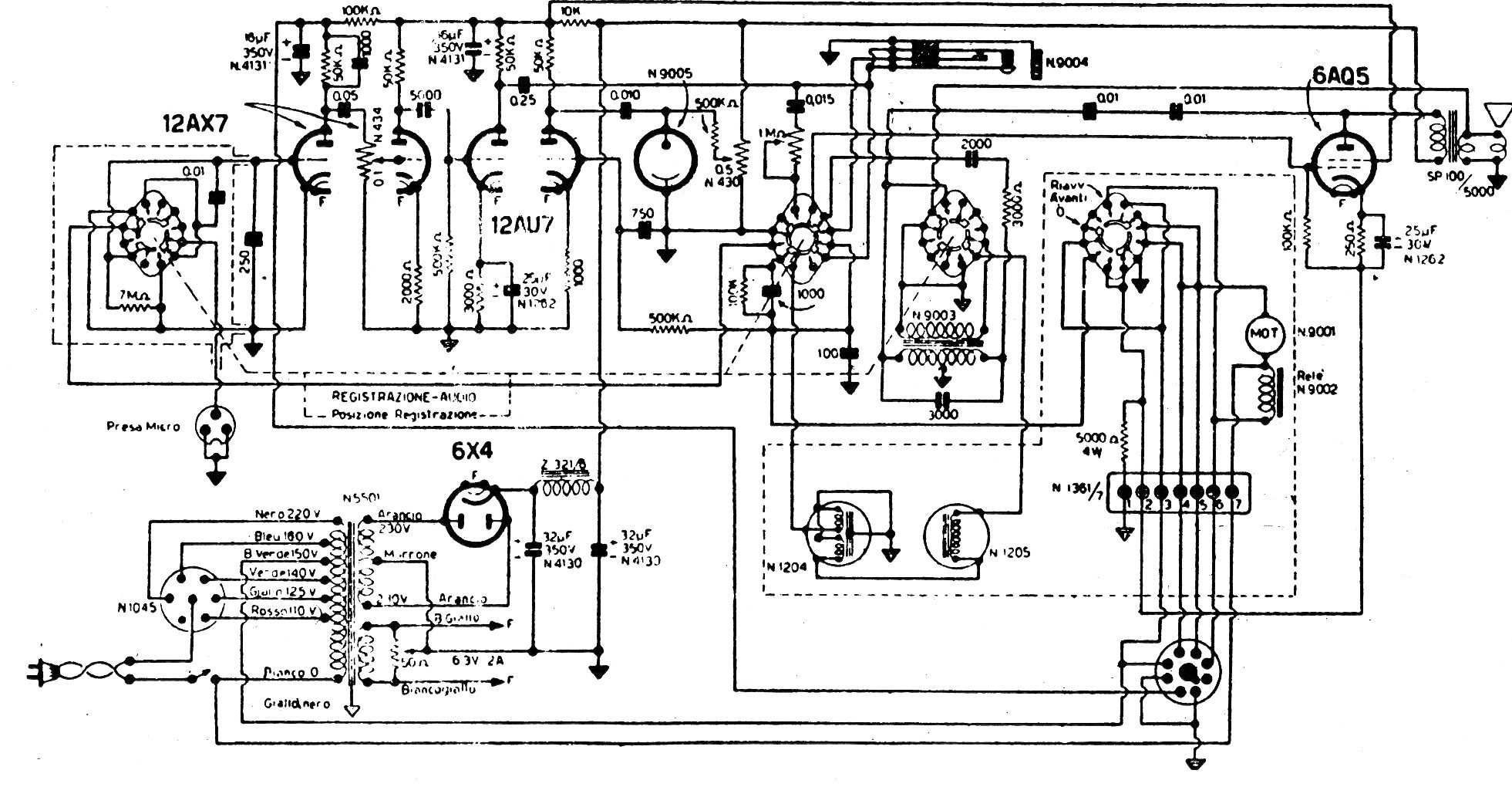
Este es el circuito del grabador comercial de rodillo o cinta antigua, de la década de 1970, geloso modelo G-242-M. El diagrama puede ayudar como referencia en la recuperación de un equipo de este tipo. Observe la presencia de una válvula reguladora de tensión que puede ser sustituida por un zener de alta tensión en una eventual recuperación del aparato.




