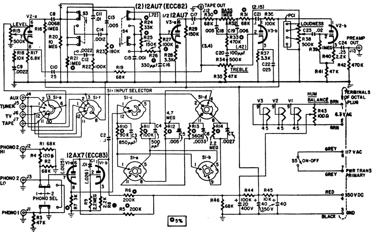
Este circuito es de un preamplificador con control de tono de tipo comercial de la década de 1970. El circuito utiliza válvulas doble triodo y su alimentación es hecha por fuente externa, normalmente del propio amplificador con el que va a funcionar. El circuito tiene entradas y salidas de impedancias compatibles con los circuitos de la época y para dos canales deben montarse dos circuitos como éste.




