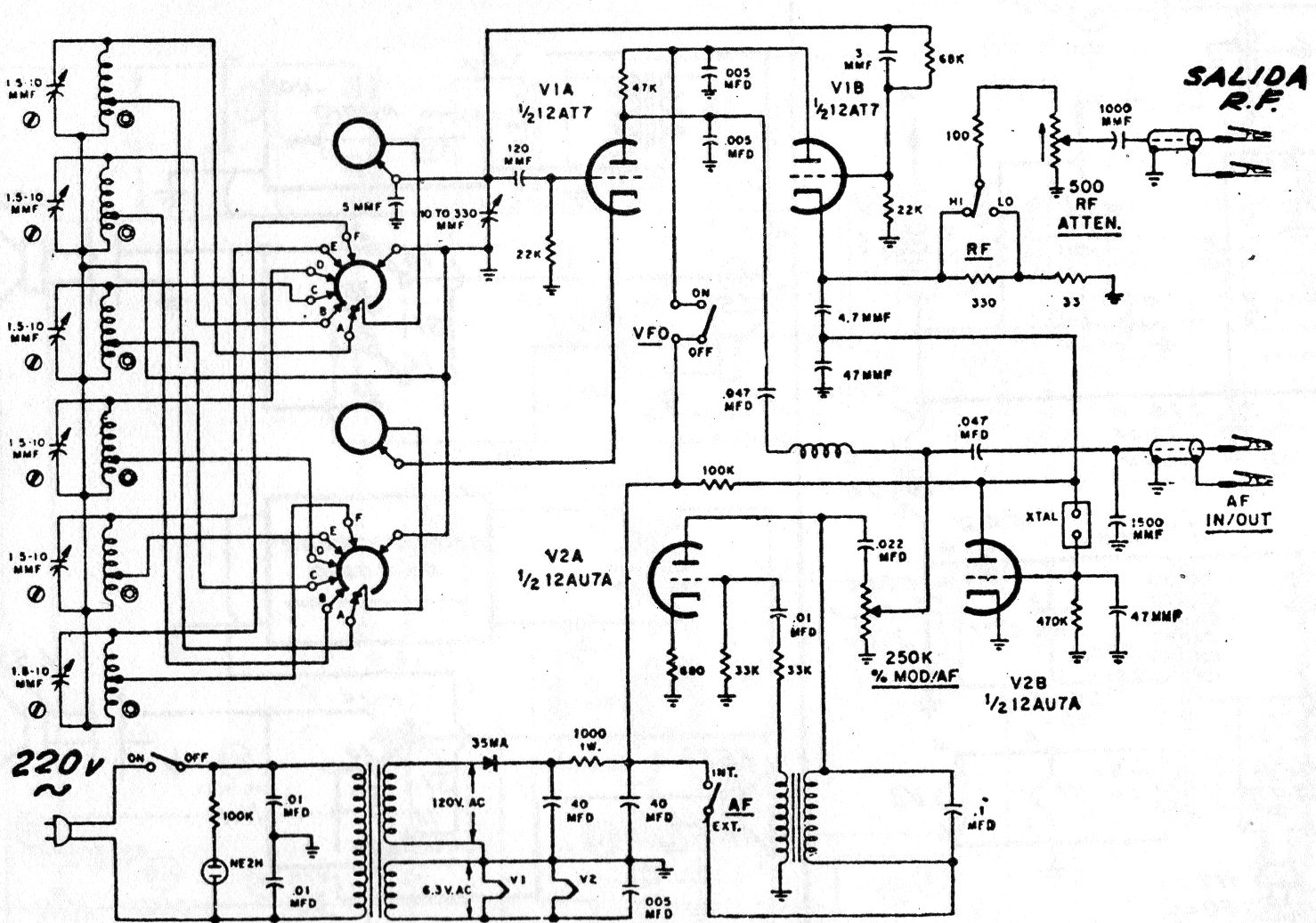
Este es el circuito de un generador de señales comercial de la década de 1970. El circuito genera señales en 6 bandas de frecuencias y utiliza dos válvulas de doble triángulo. Las señales también pueden ser moduladas con un control de profundidad de modulación. El circuito sirve como referencia para la recuperación de un equipo de este tipo.




