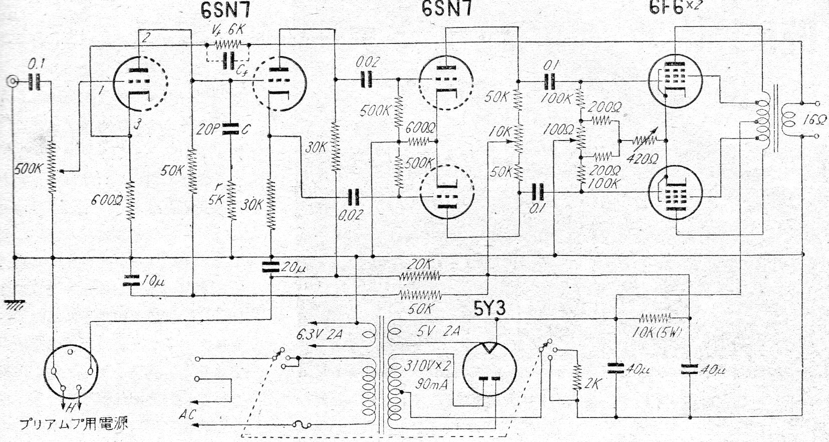
Este potente amplificador de audio fue encontrado en una publicación japonesa de los años 50. El circuito incluye la fuente de alimentación y tiene salida en push-pull clase B, utilizando un transformador apropiado. El circuito incluye la fuente de alimentación con la válvula rectificadora 5Y3.




