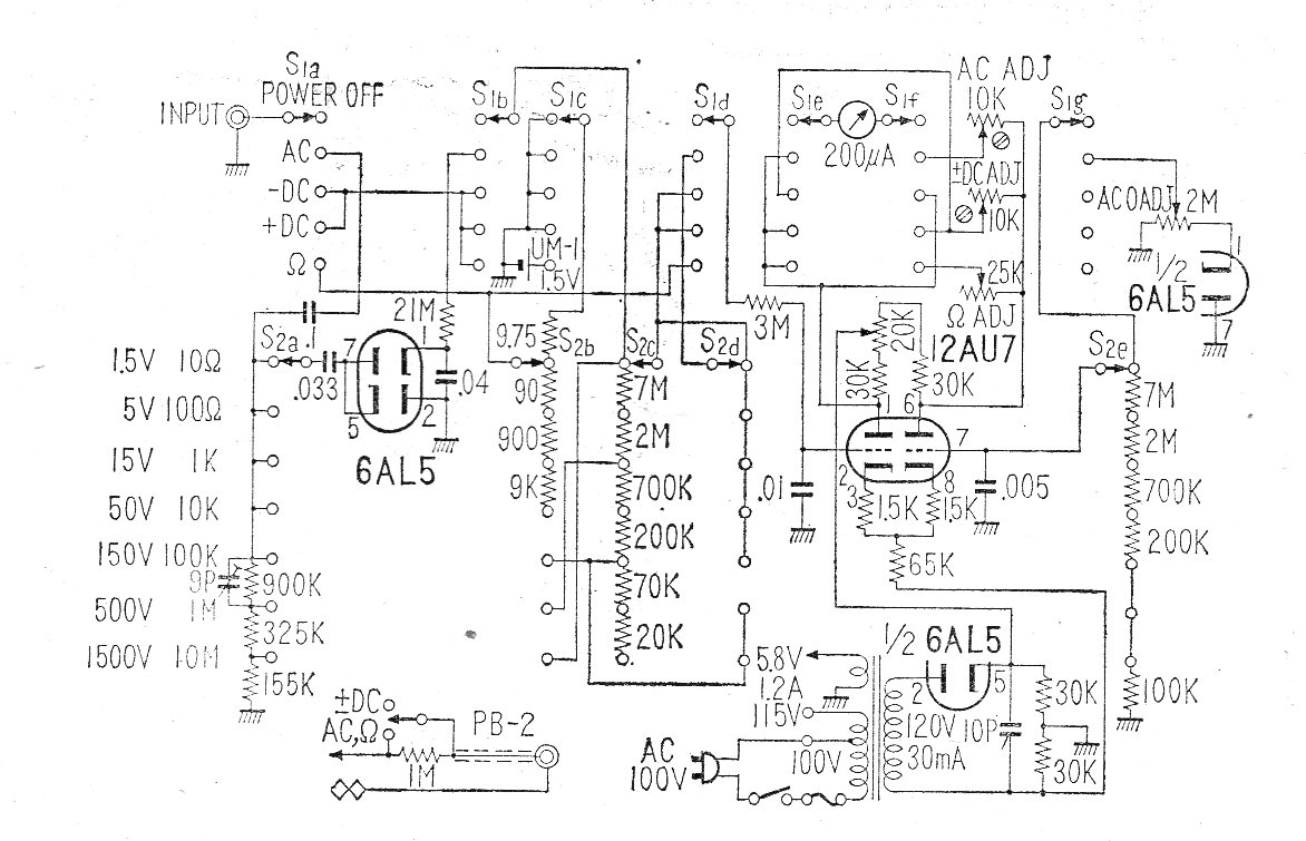
A continuación se muestra el circuito de un voltímetro comercial japonés de 1968. El circuito fue encontrado en una documentación de la época, utilizando válvulas comunes y presentando diversas escalas con resistencia de entrada muy alta.
A continuación se muestra el circuito de un voltímetro comercial japonés de 1968. El circuito fue encontrado en una documentación de la época, utilizando válvulas comunes y presentando diversas escalas con resistencia de entrada muy alta.