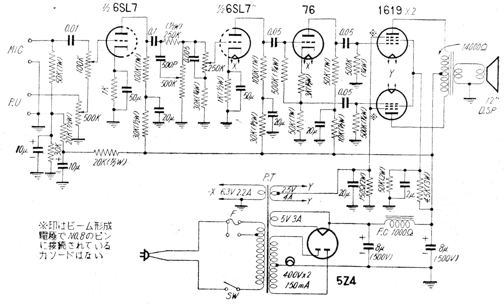
Encontramos este amplificador valvular con salida push-pull clase B en una publicación japonesa, en realidad traducción de la revista americana The Radio Experimenter's Magazine de los años 50. El circuito utiliza componentes de la época en una configuración tradicional. Observe la fuente con dos tensiones de entrada.




