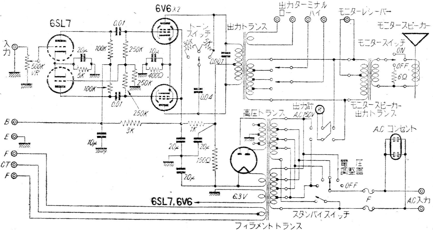
Esta configuración de amplificador con las válvulas 6V6 en push-pull clase B es de una publicación de 1950. Se trata de la revista The Radio Experimenter Magazine en una traducción al japonés. El circuito utiliza 5 válvulas y tiene varias características como salidas para sonido ambiente.




