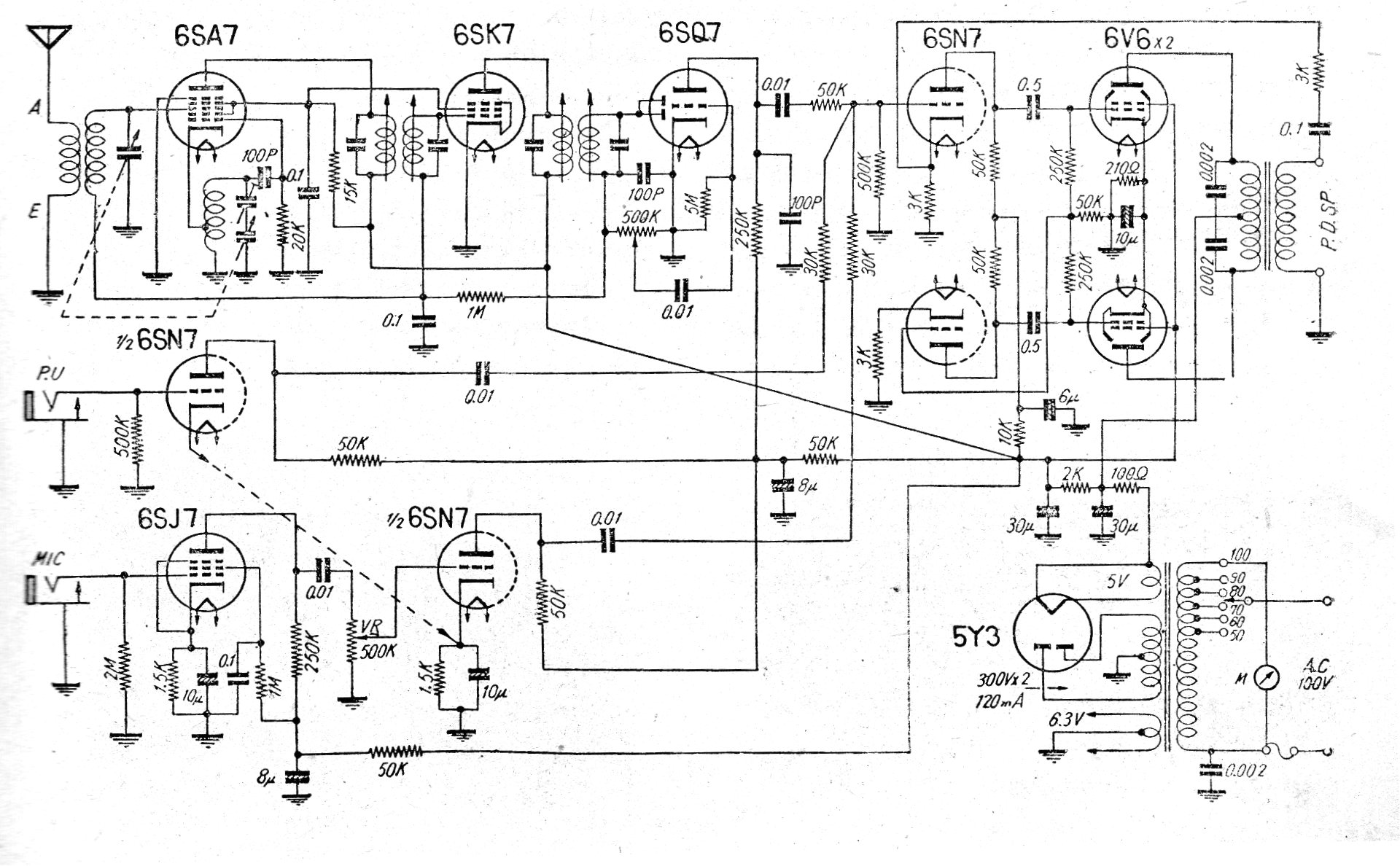
Este antiguo amplificador de potencia con receptor para la banda de ondas medias fue encontrado en una publicación japonesa de los años 50. De hecho, la publicación fue una traducción del Radio Experimenter Magazine, edición americana de la época. El circuito de 15 W tenía válvulas 6V6 en la salida en push-pull.




