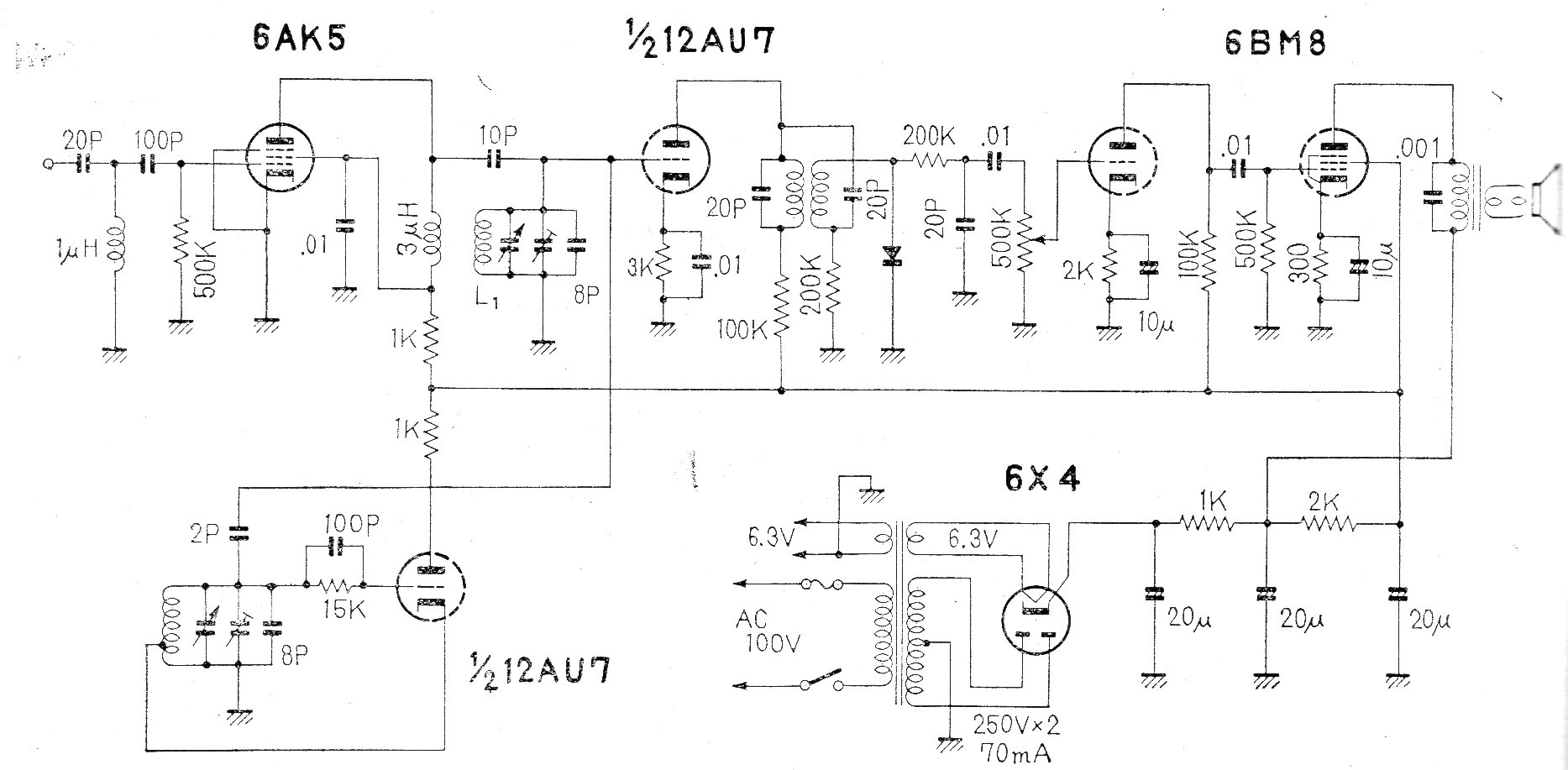
Este amplificador de algunos watts fue encontrado en una documentación japonesa de los años 60. El circuito tiene salida simple con buen rendimiento. Los componentes críticos son las válvulas y los transformadores.

 

Amplificador 6AK5
Amplificador 6AK5 | Haga click en la imagen para ampliar |