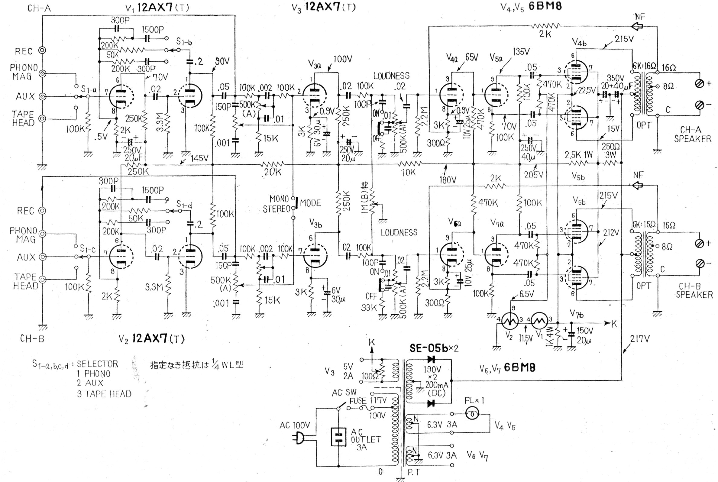
Este amplificador valvular estéreo de algunos watts de potencia utiliza válvulas 6BM8 y se encuentra en una documentación japonesa. Los detalles de la construcción se dan, pero poca información sobre las características a no ser las curvas de ecualización para las diversas entradas.




