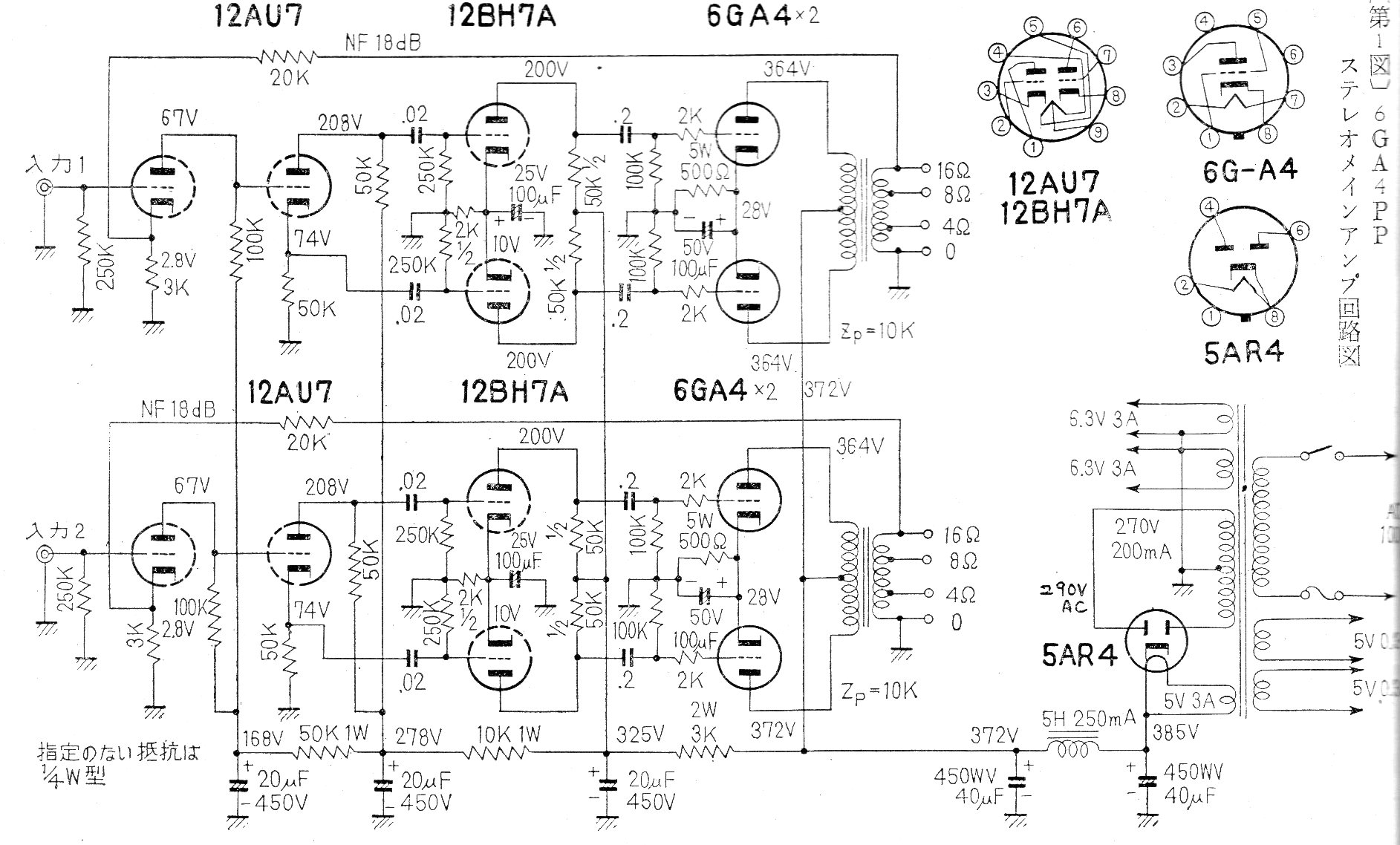
Este amplificador valvular fue encontrado en una publicación japonesa de los años 60. La tensión de placa es de 350 V y la impedancia de entrada de cada canal es de 250 k ohmios. La alimentación, en realidad puede quedar entre 250 y 350 V con pequeño cambio en el rendimiento.




