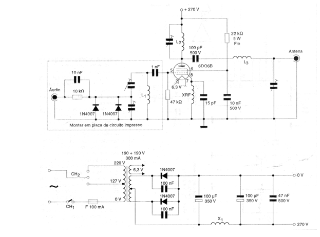
Este circuito es de una documentación antigua y tiene excelente potencia, pero requiere práctica con este tipo de montaje. L1 y L2 están formadas por 5 espiras de hilo 18 en forma de 1 cm y L3 está formada por 6 espiras de hilo 14 en forma de 2 cm de diámetro. El choque de RF tiene 60 espiras de hilo w0 en un resistor de 100k x ½ W. La fuente de alimentación se suministra junto con el diagrama.




