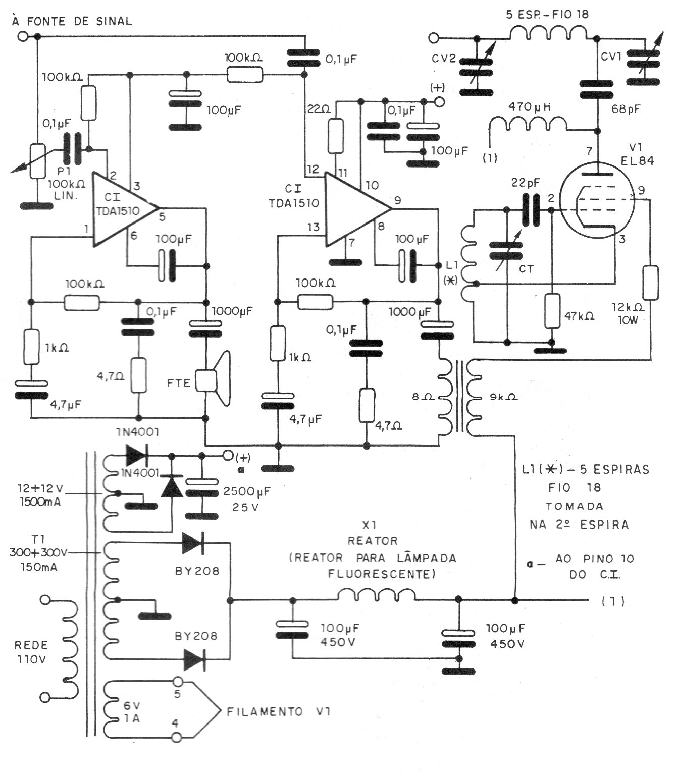
Este potente transmisor utiliza una válvula EL84 que proporciona varios watts de salida. Con una antena externa su alcance será de varios kilómetros. El circuito es de una documentación de 1995. Los datos de las bobinas están en el propio diagrama y la modulación es hecha por circuito integrado. Los componentes críticos son el transformador y la válvula.




