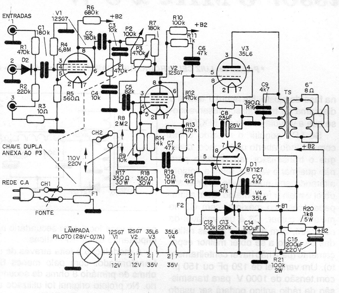
Una característica de este amplificador, que encontramos en una documentación de 1992, es la de usar sólo un transformador: el transformador de salida. Tanto la rectificación como el calentamiento de los filamentos son directos. El circuito proporciona algunos vatios de potencia a un altavoz de buena calidad. Las válvulas de salida son 35L6.




