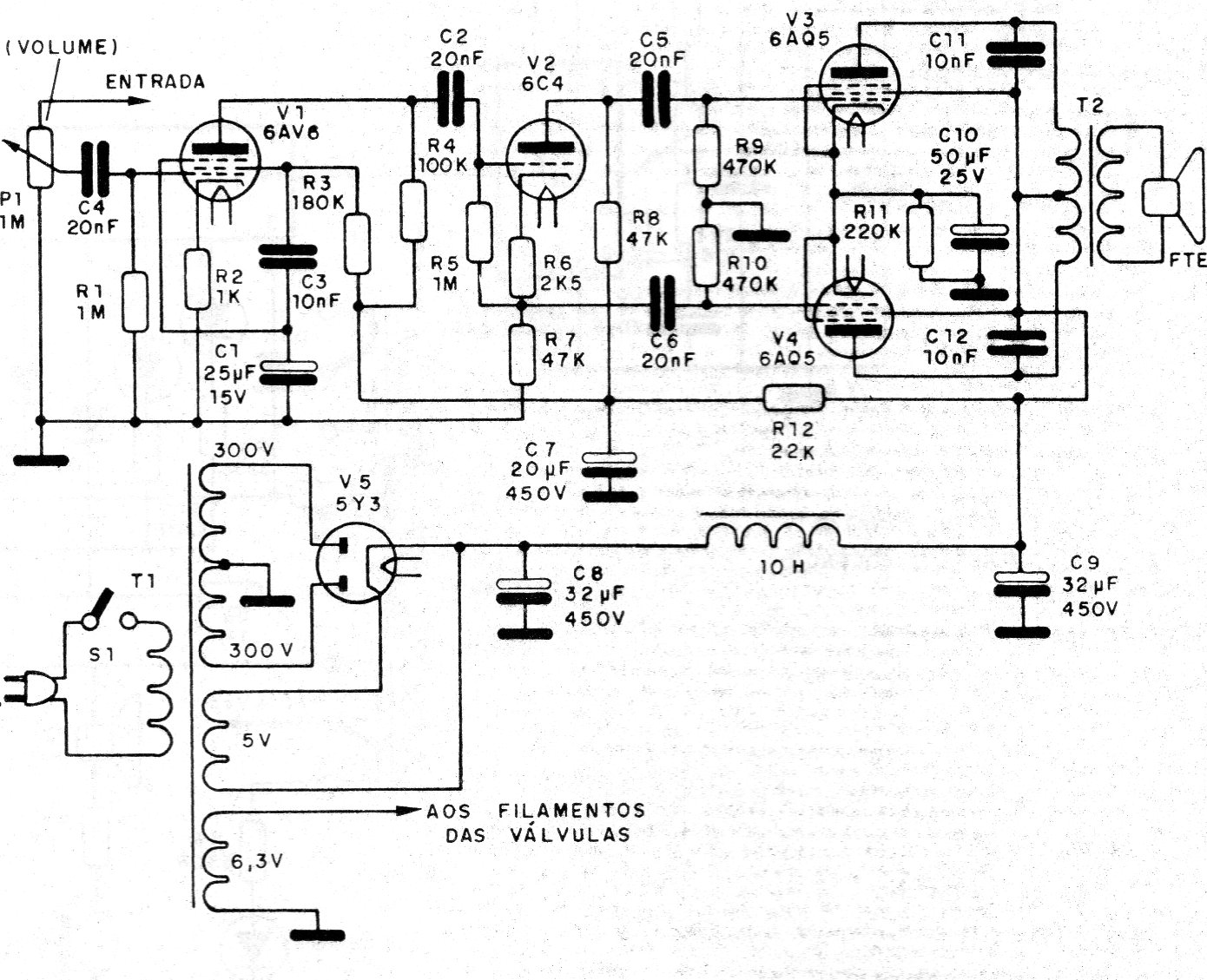
Este circuito tradicional con pentodos en push-pull es de una documentación de 1988. Los componentes críticos son las válvulas, los transformadores y el choque de filtro de la fuente. El circuito tiene una excelente calidad de sonido y el transformador debe tener una bobina de alta tensión de 300 V con al menos 150 mA.




