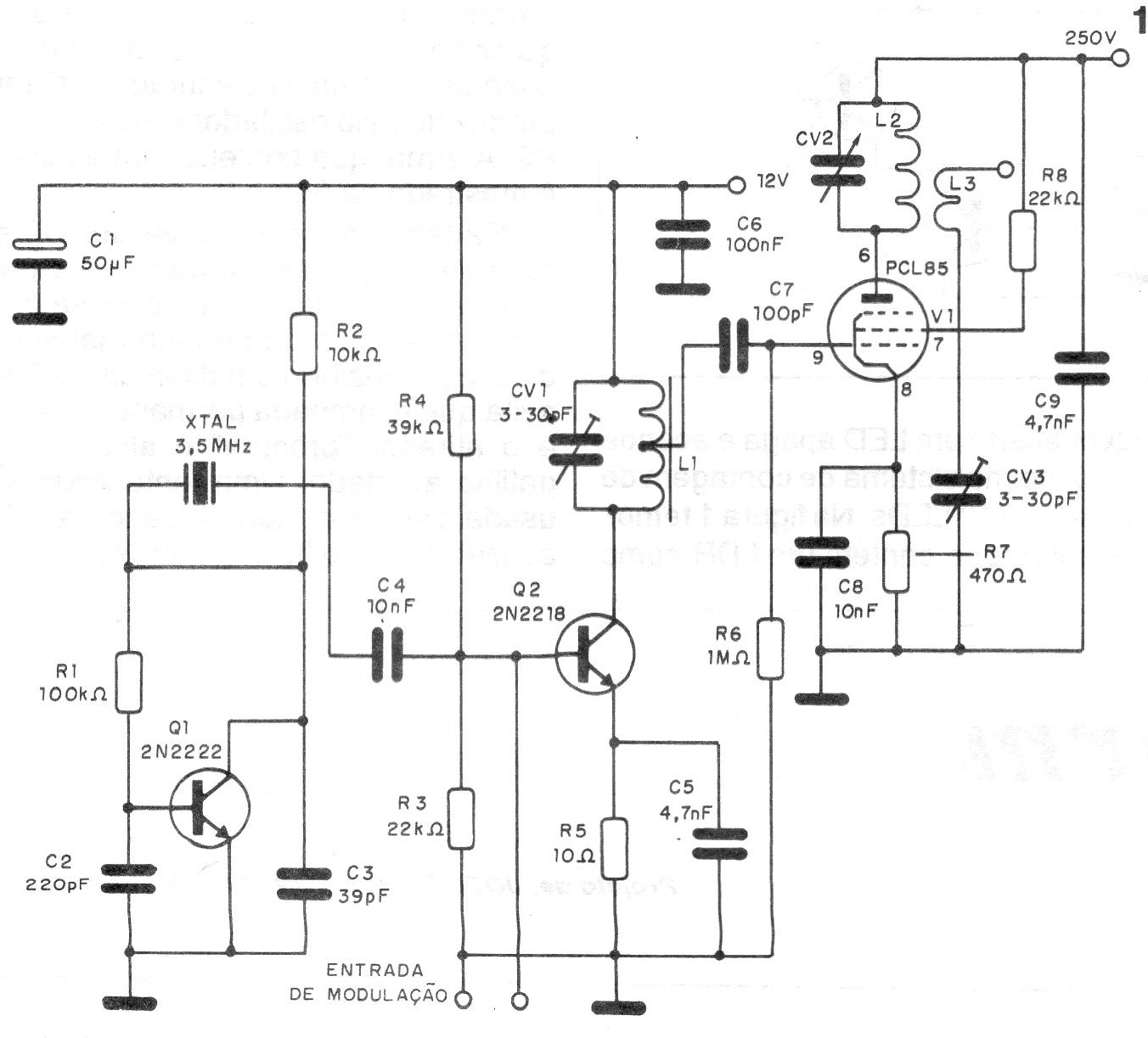
Este transmisor que utiliza válvulas y transistores fue encontrado en una documentación de 1992. El circuito opera en la banda de radioaficionados de 80 metros en clase C proporcionando una buena potencia de salida. El circuito necesita una fuente doble que se muestra junto al diagrama. L1 consta de 40 espiras de hilo 28 en una forma de 1 cm de diámetro con 5 cm de longitud de ferrita con toma central y L2 está formada por 40 espiras de hilo 28 en un tubo de 1 pulgada. L3 consta de 6 espiras de hilo 28 sobre L2.




