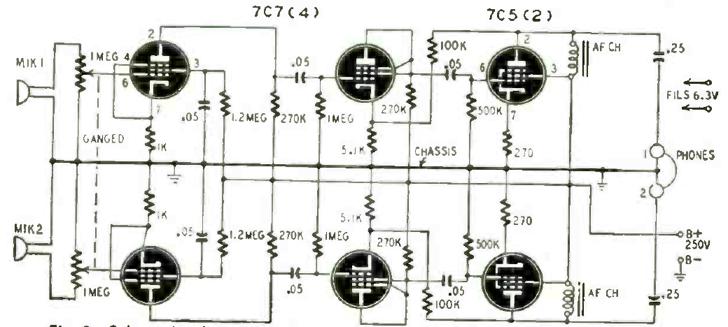
Este interesante amplificador para ayuda auditiva con dos micrófonos es de una revista Radio Craft de 1949. El circuito tiene dos tensiones de alimentación, para el filamento y placas y el auricular debe ser estéreo de alta impedancia. Los micrófonos deben ser piezoeléctricos y el circuito no utiliza transformadores (a no ser en la fuente).




