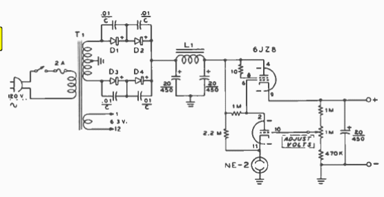
Esta fuente es de una publicación de 1976 que puede proporcionar tensiones de 150 a 250 V de salida con 60 mA de corriente. El transformador tiene un secundario de 480 V con toma central y 70 mA de corriente. El choque de filtro es de 8 H con 75 mA. Observe las tensiones mínimas de trabajo de los capacitores electrolíticos.

Fuente Regulada Para Valvulados



