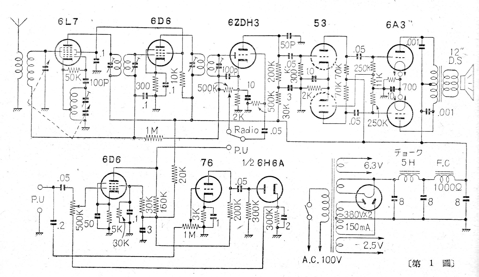
Encontramos este circuito en una publicación japonesa de los años 60. Sirve sólo de referencia pues las bobinas y transformadores ya no se pueden encontrar actualmente. Los detalles de la bobina de antena no se dan.

 

Radio Amplificador de 10 W
Radio Amplificador de 10 W | Haga click en la imagen para ampliar |