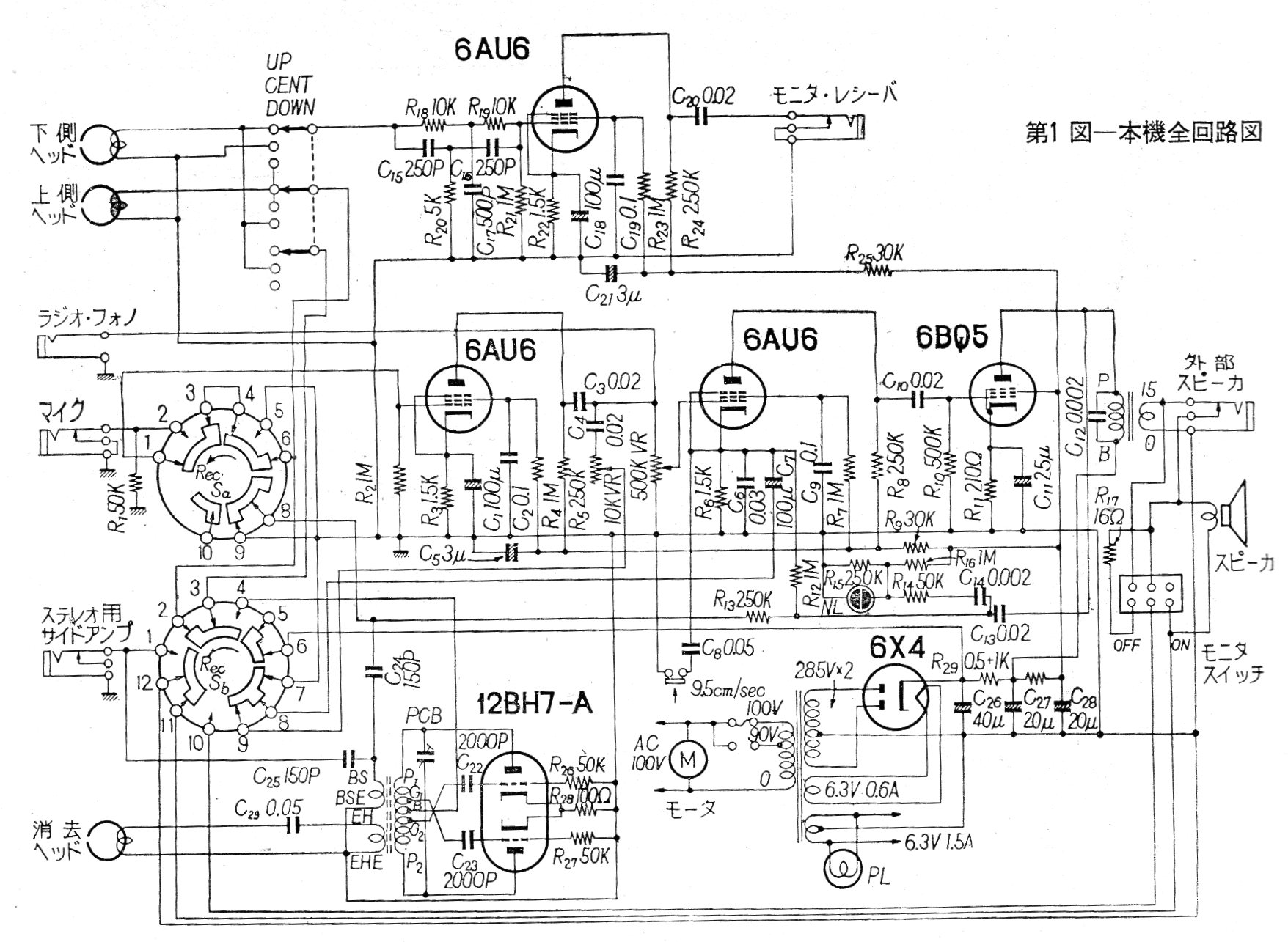
Para referencia de nuestros lectores que pueden necesitar un diagrama de un grabador de los años 60 para trabajos escolares o investigación, he aquí un ejemplo. El circuito es de una documentación de 1962. Las válvulas usadas, en algunos casos todavía se pueden encontrar.




