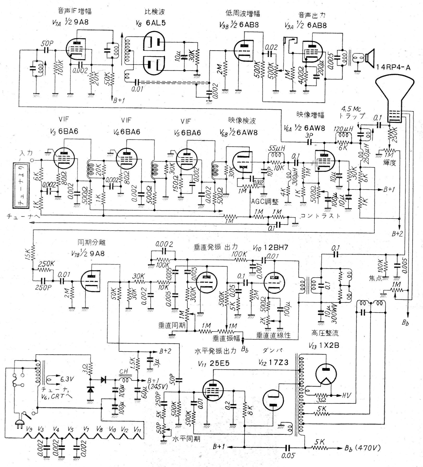
Para referencia de los lectores que necesitan un diagrama de TV antiguo valvular monocromático para trabajos escolares o investigación, he aquí un buen ejemplo. Este es un circuito japonés de 1962 usando sólo válvulas y tubo de rayos catódicos (cinescopio) para el rango de televisión analógica de la época.




