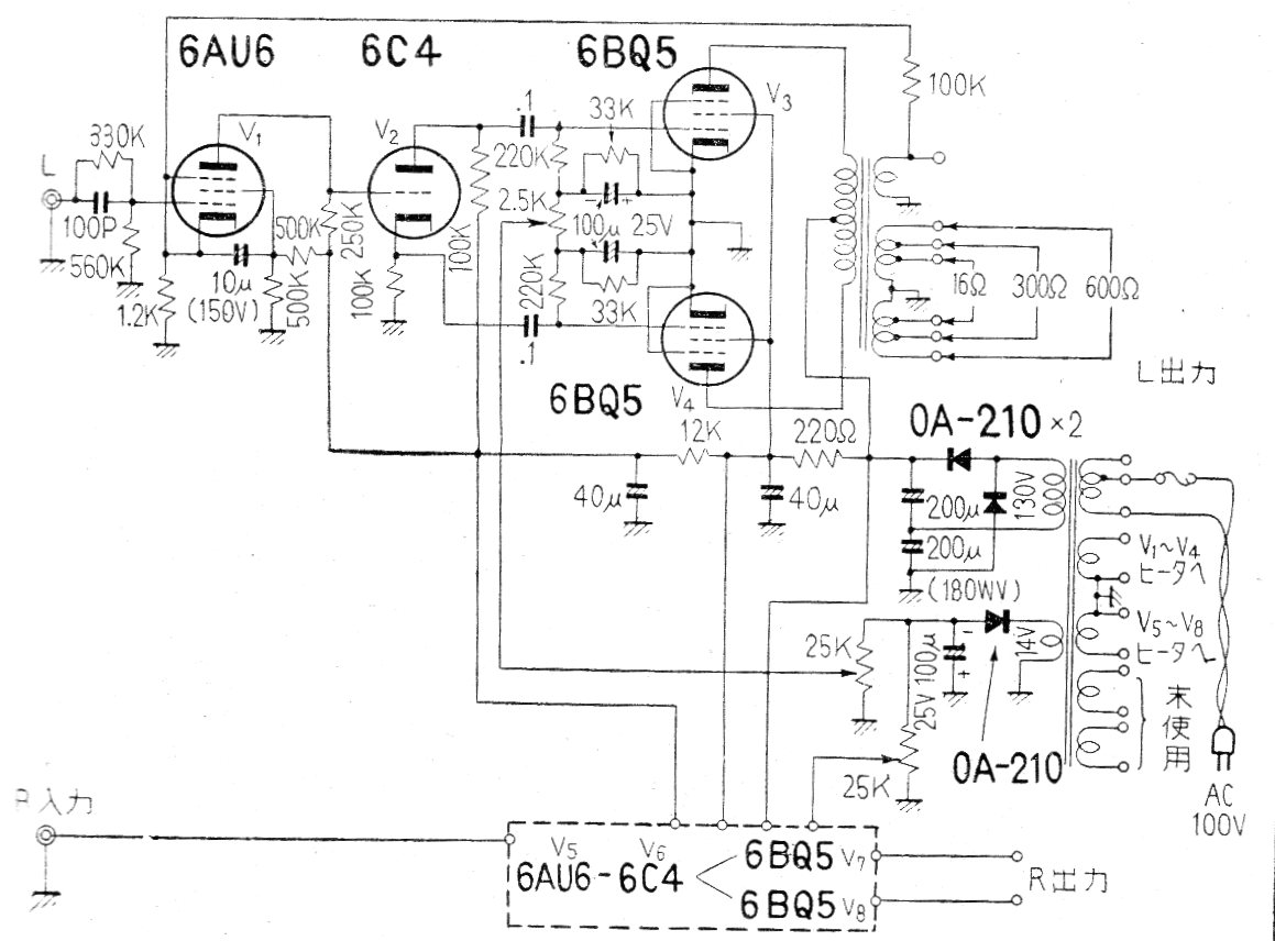
Este circuito es de una Radio TV & Electronics, edición japonesa de los años 60. El circuito tiene dos canales con fuente única y una potencia de 2 W por canal, con válvulas comunes en la época.

 

Amplificador Valvulado Estéreo de 2 W por Canal
Amplificador Valvulado Estéreo de 2 W por Canal | Haga click en la imagen para ampliar |