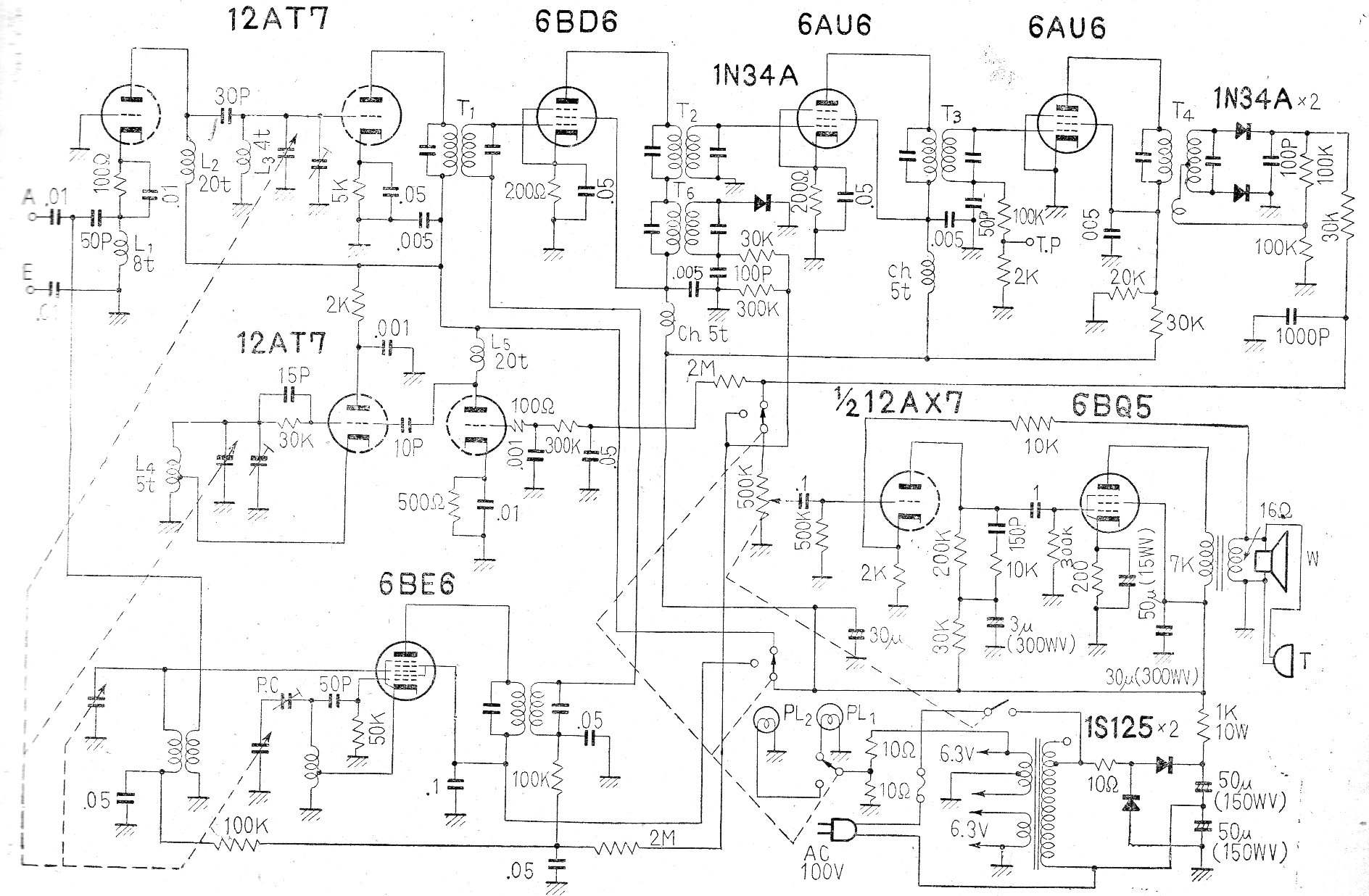
Este circuito es de una documentación de los años 60, publicado en Japón. Sin embargo, las válvulas usadas son universales. El circuito contiene al mismo tiempo una radio AM y un amplificador para micrófono.

 

Amplificador y Radio Valvulado
Amplificador y Radio Valvulado | Haga click en la imagen para ampliar |