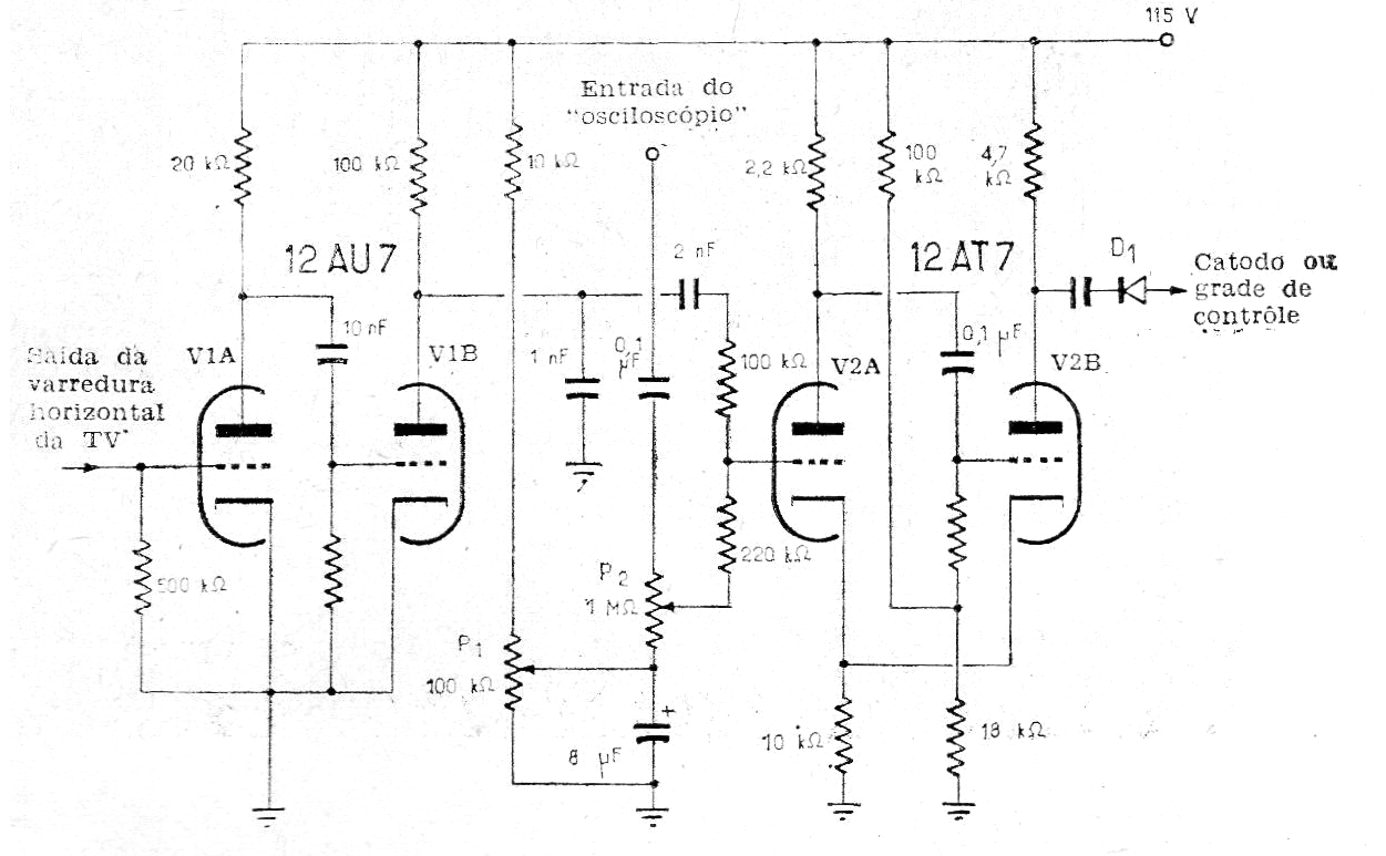
Este antiguo esquema de una publicación francesa de 1971, muestra cómo transformar un televisor valvular analógico antiguo en un osciloscopio de audio.
De hecho, la respuesta de este tipo de circuito es muy pobre y sólo señales hasta algunas decenas de kilohercios pueden ser observadas. Lo que se hace es utilizar dos válvulas doble-triodo. Una de ellas está conectada al circuito de barrido horizontal para capturar sus muñecas que van a servir de sincronismo para un oscilador de dientes de sierra controlado por un disparador.
El punto de disparo se puede ajustar en P1. La señal que se visualiza se controla mediante P2. Así, el circuito se comporta como un osciloscopio que tiene una frecuencia de barrido de 60 Hz. Algunos cambios en el circuito del televisor usado pueden ser necesarios para una mejor visualización de la señal.




