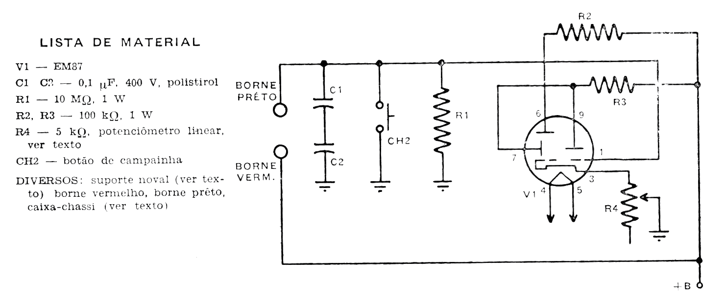
He encontrado este circuito en una publicación de 1966. La válvula ojo mágico tiene una especie de abanico fluorescente en una pantalla que se abre o se cierra según la tensión de entrada. Normalmente se encuentra como indicador de sintonía en receptores antiguos. En el diseño, la apertura del abanico indica la resistencia del componente en la prueba. La fuente utiliza un transformador con secundario de 117 V x 50 mA y devanado de 6,3 V para el filamento de la válvula.




