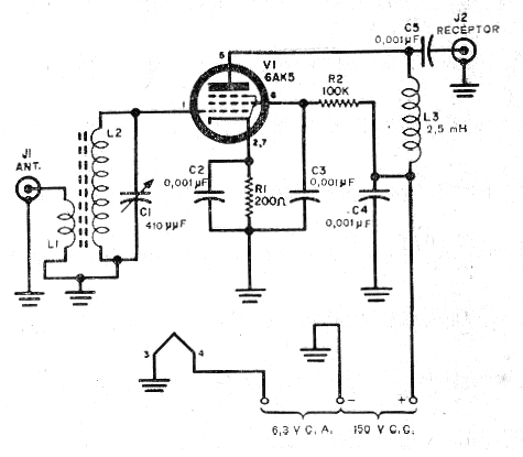
El circuito presentado fue retirado de una publicación de 1962. Utilizando sólo una válvula amplifica las señales de la banda de ondas medias, aplicándolas a una antena de entrada de una radio común.
El circuito también preselecciona las señales, facilitando así la separación de estaciones de frecuencias cercanas. Las bobinas, además de la válvula es el componente crítico, consistente en L2 en 100 espiras de hilo 28 en un bastón de ferrita de 0,8 a 1 cm de diámetro con 10 o más centímetros de longitud. L1 consiste en 15 espiras de hilo 28 sobre L2 y L3 es un choque de RF de 2,5 mH.
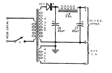
En las figuras tenemos el diagrama del aparato y una sugerencia de fuente de alimentación.





