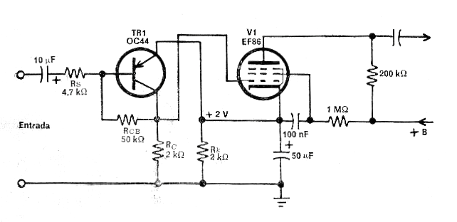
El pie-amplificador presentado utiliza un transistor de germanio y una válvula, presentando una elevadísima ganancia. El circuito fue encontrado en una documentación de 1970 y su alimentación de 100 a 250 V puede ser obtenida del propio amplificador con el que va a funcionar.
La impedancia de entrada es elevada y en este montaje el cuidado de los cables de señales deben tomarse. El condensador sin valor puede tener de 100 nF a 470 nF, según la impedancia del amplificador y la respuesta de frecuencia deseada.




