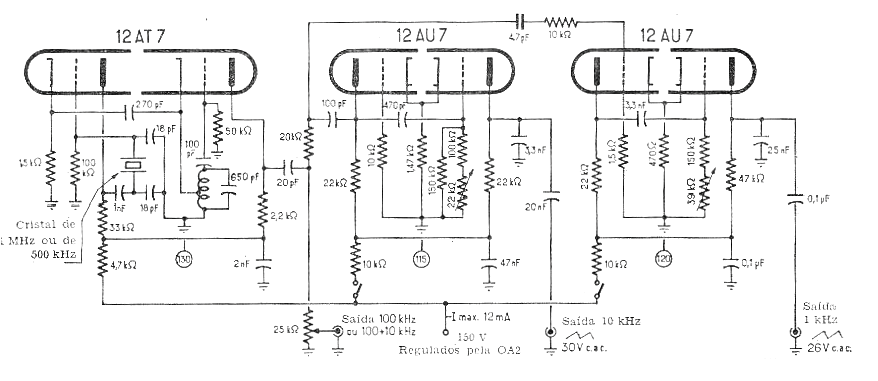
El circuito que presentamos fue encontrado en una publicación de 1967, consistente en un oscilador que genera señales de 100 kHz a partir de un oscilador con cristal de 1 MHz. Las señales sirven para ajustes o incluso base de tiempo de instrumentos.
Como el circuito tiene un divisor sincronizado, genera señales de 10 kHz y 1 kHz también, siendo estas señales de gran precisión. El circuito no incluye la fuente de alimentación que puede obtenerse de uno de los diagramas del artículo V009.
Observe que la tensión de alimentación de 150 V debe ser regulada, lo que puede ser hecho a través de fuente con la válvula OA2.




