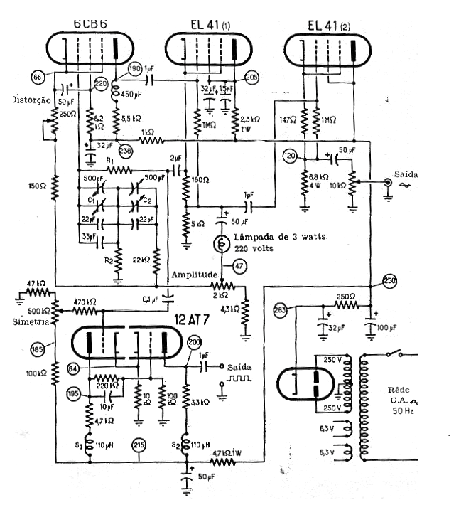
El circuito presentado en la figura fue obtenido de una documentación de 1967. Este generador genera señales senoidales que dependen de R1, R2, C1 y C2.
Las señales son senoidales y el componente crítico, además de las válvulas, es el transformador de alimentación que tiene devanados a 100 mA o más.
El circuito también tiene una salida de señales rectangulares que se obtiene gracias a un circuito segador con una de las válvulas. Observe que la intensidad de la señal tiene un control y la frecuencia máxima obtenida es del orden de 1 MHz con valores de R1 alrededor de 4k y R2 en torno a 560 ohms.




