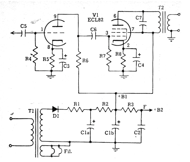
De un documento de 1967 extraemos este simple circuito de amplificador de audio que debe proporcionar algo alrededor de 2 W de potencia con excelente calidad de sonido, dependiendo del transformador de salida y del altavoz.
La válvula es un doble triodo-pentodo y los componentes críticos más allá de ella, son los transformadores. Los valores de los componentes se indican en la lista siguiente:
R1 - 10 a 20 ohms x 5 W - hilo
R2 - 1 k x 5 W - hilo
R3 - 330 ohms x 1 W
R4, R7 - 470 k x ½ W
R5 - 4k7 x 2 W
R6 - 82 k x ½ W
R8 - 300 ohms x 3 W
C1a, b - 50 + 50 uF x 150 V
C2 - 1 uF x 450 V - poliéster
C3, C4 - 22 uF x 12 V - electrolíticos
C5, - 10 nF x 250 V
C6 - 22 nF x 250 V
C7 -4,7 nF x 200 V
T1 - 125 V x 30 mA y 6,3 V x 2 A - transformador
T2 - Transformador de salida de 3 a 5 k de primario y secundario según el altavoz.
En la figura 1 el diagrama completo del amplificador




