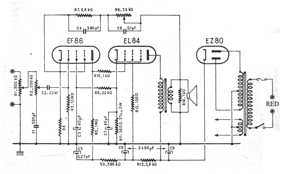
Este proyecto fue obtenido de una publicación de 1974, consistente en un pequeño amplificador de 3 válvulas que proporciona aproximadamente 3 W de potencia con excelente calidad de sonido.
Los componentes críticos, además de las válvulas, son los transformadores. El transformador de salida es del tipo de baja potencia simple para la válvula EL84 (6BQ5) mientras que el transformador de alimentación tiene un nivel secundario de 15 + 125 V con 40 mA o más.
Los capacitores electrolíticos de la fuente deben tener tensiones de trabajo de 200 V o más.
La impedancia de entrada es de aproximadamente 1 M ohms. En la figura 1 tenemos el diagrama completo del amplificador.




