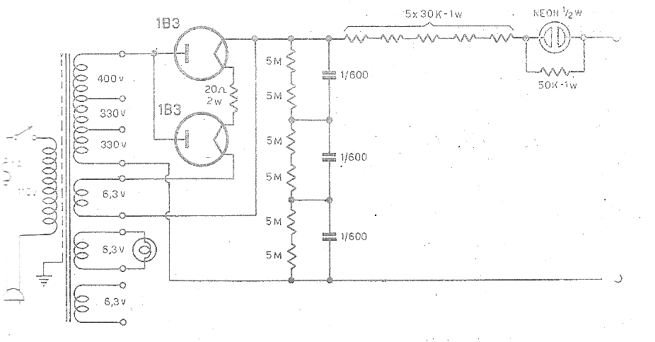
Hemos encontrado en una antigua revista de nuestra colección, del año 1958, este interesante circuito de una prueba de aislamiento que puede aplicar hasta 1500 V en una prueba, cuyo indicador es una simple lámpara neón.
Las válvulas usadas son las populares 1B3, en la época usadas como rectificadoras de alta tensión en televisores. Dos de ellas forman un rectificador que genera hasta 1500 V para pruebas de aislamiento seleccionadas por una llave.
El componente crítico, además de las válvulas es el transformador. Una versión actual de este circuito puede ser elaborada utilizando diodos rectificadores de alta tensión que pueden ser logrados en televisores fuera de uso. Un auto-transformador se puede utilizar para generar la alta tensión.
Tenga en cuenta que los capacitores usados ??deben tener una tensión de trabajo de al menos 600 V. Utilice tipos de poliéster para este propósito. La corriente del transformador es muy baja, del orden de 20 mA.
En nuestro artículo Fuentes Para Aparatos valvulados como construir una fuente alternativa para este circuito.
Recordamos que las pruebas con este aparato son exclusivamente para circuitos y dispositivos que soporten las tensiones generadas. En la figura 1 el diagrama completo del aparato.




