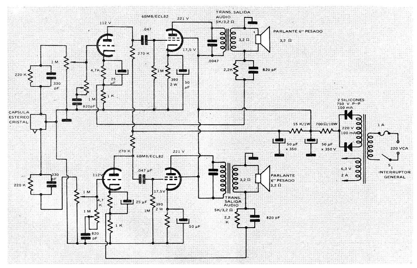
Este amplificador de baja potencia, pero excelente calidad de sonido, utiliza sólo dos válvulas obteniendo su diagrama de una publicación de la década del 70. Los componentes críticos, como siempre, son las válvulas y los transformadores.
El circuito está indicado para tocadiscos con cápsulas estéreo de cristal, pero se puede emplear con otros propósitos.
La alimentación viene de un transformador con 750 V (375 + 375 V) de secundaria con 100 mA, además de otro secundario de baja tensión para los filamentos de las válvulas.
Los transformadores de salida son de tipo apropiado para las válvulas con una impedancia de primario de 3 k y secundario de acuerdo con el altavoz, normalmente 3,2 ohms, en este tipo de aplicación.
Los componentes sometidos a alta tensión, como los capacitores deben tener tensiones de trabajo compatibles con su función en el circuito.
En la figura 1 el diagrama completo del amplificador.




