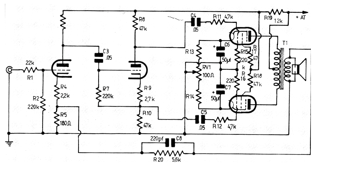
Los componentes críticos de este amplificador de excelente calidad, como siempre, son las válvulas y los transformadores, tanto de salida y de alimentación.
Las válvulas de salida son pentodos de potencia EL84 (6BQ5) mientras que el doble triodo, preamplificador de controlador es un ECC83.
La salida se realiza con un transformador ultra-lineal que el transformador de la fuente tiene secundario de alta tensión de 300 + 300 V con 80 mA. En el artículo sobre la fuente de los valvulados, cómo hacer la fuente para este circuito.
Un diseño bien estudiado en un chasis metálico es importante para obtener un buen rendimiento sin roncos.
En la figura 1 tenemos el diagrama completo de este amplificador.




