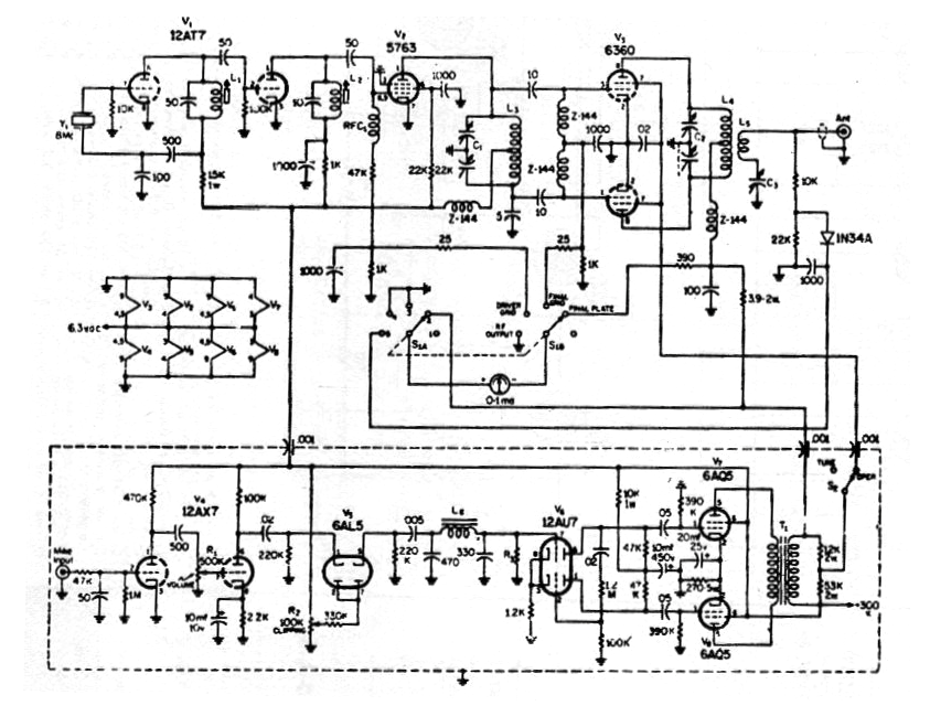
El transmisor descrito puede ser utilizado por radioaficionados o en servicios de telecomunicaciones, dependiendo de la frecuencia elegida. Su elevada potencia posibilita alcanzar más de 100 km, recordando qué antena y receptor apropiados deben ser utilizados.
El circuito valvular presentado debe ser montado por personas que tengan experiencia con montajes de altas frecuencias. Los componentes críticos, en este caso, además de las válvulas, son los transformadores y las bobinas que deben ser enrolladas por el propio montador.
El modulador aparece entre líneas discontinuas, consistentes en un amplificador de potencia de audio. La fuente de alta tensión de 300 V con corriente de al menos 300 mA no está incluida en el diagrama.
Las bobinas tienen las siguientes características:
L1 1,6 uH
L3 - 0,90 uH
L5, L2 - 0,4 - 0,65 uH
L4 - 4 espiras de hilo 14 en forma de ½ pulgada
L5 - 2 espiras de hilo 14 enlazadas con L4
X - Cristal de 8 MHz
Z144 - 2,5 uH
En la figura 1 el diagrama del transmisor.




