Los aparatos valvulados requieren fuentes de alimentación especiales. Se deben suministrar dos o más tensiones, siendo una o dos tensiones elevadas para las placas de las válvulas y una o dos alternas de bajas tensiones para los filamentos. En este artículo del libro Fuentes de Alimentación, mostramos estas fuentes.
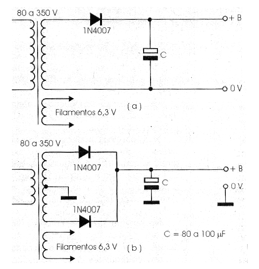
Las fuentes típicas de los aparatos valvulados hacen uso de un transformador con dos o más secundarios, como se muestra en la figura 1.

En (a) tenemos una fuente con un transformador dotado de secundario de alta tensión para los circuitos de placa (ánodo) y un secundario de 6,3 V para alimentación de los filamentos de las válvulas. En (b) tenemos una fuente con transformador dotado de dos secundarios de baja tensión.
Uno de ellos proporciona 5 V para el filamento de la válvula rectificadora y otro 6,3 V para los secundarios de las demás válvulas. Actualmente, las válvulas rectificadoras pueden ser sustituidas por diodos como los 1N4004 y 1N4007, lo que elimina la necesidad de un enrollamiento para filamento de la válvula rectificadora.
Sin embargo, debe seguir presente el devanado para los filamentos de las demás válvulas. En la figura 2 tenemos una fuente típica de alta tensión para equipo valvulado usando diodos 1N4007. En el primer caso de una fuente de media onda y en el segundo caso, una fuente de onda completa.

Las corrientes de los transformadores usados ??en estas fuentes varían considerablemente dependiendo de la potencia del aparato. Los secundarios de alta tensión tienen corrientes de 25 mA a 500 mA típicamente mientras que los secundarios de baja tensión tienen corrientes de 1 A o más. Observamos que los transformadores usados ??en estas fuentes son componentes pesados ??y voluminosos.
Actualmente existen casas especializadas que pueden suministrar estos componentes, ya sea con tensiones estandarizadas o bien bajo pedido. Las alternativas a las fuentes de altas tensiones que alimentan los circuitos de válvulas pueden elaborarse sobre la base de transformadores comunes e incluso sin transformadores.
Así, en la figura 3 tenemos un circuito en el que un transformador de dos tensiones de entrada común, con secundario de 6 V se utiliza como auto-transformador en una fuente que puede llegar a los 300 V de salida.

El primario del transformador funciona como un auto-transformador elevando la tensión de la red de 110 V a 220/240 V. Esta tensión es rectificada y filtrada. El secundario de baja tensión alimenta los filamentos de las válvulas del circuito.
Un problema inherente de este tipo de fuente es que no está aislada de la red de energía. Esto significa que los contactos con sus partes expuestas pueden causar choques. Otra forma de alimentar un circuito valvular, sin el uso de transformador es la mostrada en la figura 4.

Este tipo de fuente era muy usada en radios valvulares económicos, denominados "cola caliente". Esta denominación curiosa viene del hecho del resistor reductor de tensión para los filamentos de las válvulas conectadas en serie estar "embutido" en el propio cable de fuerza.
Así, en función de su disipación, el cable de fuerza funcionaba levemente calentado, resultando en la denominación de esos aparatos. La rectificación de la alta tensión se realiza a partir de la propia red de energía, no habiendo ningún aislamiento. Esto significa el peligro de choques al tocar cualquier parte expuesta de estos circuitos.
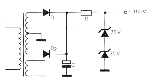
Los recuperadores de aparatos antiguos pueden encontrar radios que utilizan la válvula 35W4 como rectificadora (35 V de filamento) y otras como la 6BA6, 6AV6, 6BE6, 50C5, etc. La regulación de alta tensión de los aparatos valvulados también es posible y existen varias alternativas. En los aparatos modernos se pueden utilizar zeners de alta tensión, exactamente como en las configuraciones transistorizadas, como muestra la figura 5.

Zeners a partir de 75 V pueden obtenerse en el mercado especializado, si bien no son componentes comunes. Sin embargo, existen componentes de la "era de la válvula" equivalentes a los diodos zener. En la figura 6 mostramos un circuito regulador de tensión usando una válvula de gas.

Por supuesto, estos componentes difícilmente se encuentran en la práctica, ya que ya no se utilizan en los equipos modernos.



