El circuito valvular que presentamos fue obtenido de una documentación de 1970. La fuente de alimentación no está incluida, pudiendo ser aprovechada del propio amplificador u otro equipo con el que funcione.
La finalidad del circuito es mejorar la banda dinámica de una señal de audio, aumentando la intensidad de las señales débiles y disminuyendo la intensidad de las señales más fuertes de modo que la banda de intensidades sea más estrecha.
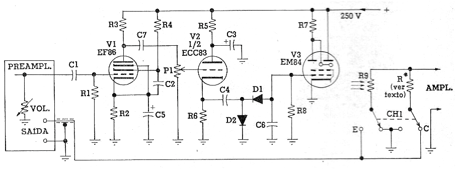
El circuito se basa en 3 válvulas y se conecta a la salida de un preamplificador u otra fuente de señal. La señal luminosa de una válvula se une ópticamente a un LDR (R9) para controlar la intensidad de la señal de audio. El material usado se da en la lista siguiente.
V1 - EF86
V2 - ECC83
V3 - EM84
R1 - 1 M x 1/2 W
R2 - 18 k x ½ W
R3 - 220 k x 1 W
R4 - 1 M x 1 W
R5 - 68 k x ½ W
R6 - 100k x ½ W
R7 - 470 k x ½ W
R8 - 2,2 M x ½ W
R9 - Foto-resistor LDR
R - resistor de acuerdo con la sensibilidad del amplificador
C1 - 10 nF
C2, C4 - 330 nF
C3 - 8 uF x 400 V - electrolítico
C5 - 25 uF x 25 V - electrolítico
C6 -270 nF
P1 - 1 M - lineal
D1, D2 - BAX17 o equivalentes - diodo de silicio




