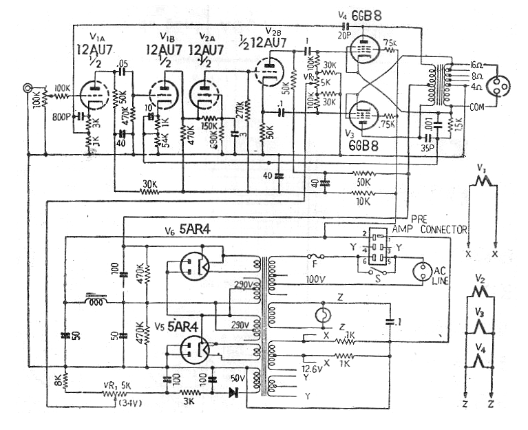
El amplificador ultra-lineal presentado en este artículo proporciona una potencia de 70 W en cargas de diversas impedancias, determinadas por las características del transformador de salida. Las válvulas 6GB8 se conectan en push-pull con una alimentación de transformador con 290 V de secundario. La corriente debe ser de al menos 800 mA.
El circuito es de tipo comercial, y además de las válvulas los elementos críticos son los transformadores. El circuito también cuenta con una salida de alimentación para el preamplificador.
Los capacitores deben tener tensiones de trabajo compatibles con las encontradas en los puntos del circuito en que deben funcionar. En especial los electrolíticos de la fuente que deben tener 450 V o más de tensión de trabajo.
El montaje debe realizarse en chasis de metal con especial cuidado con los cables de señales que deben ser cortos y blindados.
En la figura 1 tenemos el diagrama completo del amplificador.




