Este artículo forma parte de nuestro libro gratis "Cómo utilizar el osciloscopio en el servicio de Equipos de video antiguos". Si bien los televisores analógicos ya no se fabrican, todavía hay muchos en uso, así como videocintas (VCR) y cámaras que todavía se pueden utilizar o recuperar para aplicaciones en seguridad, reproducción de cintas antiguas, demostraciones, etc. Este artículo tiene utilidad para las personas que desean utilizar el osciloscopio en el diagnóstico de problemas con estos aparatos de vídeo antiguos.
FUENTES DE ALIMENTACIÓN
Dado el elevado número de circuitos e incluso dispositivos electromecánicos que deben ser alimentados y con características muy diferentes, las fuentes usadas en las videocasetes son complejas presentando muchas salidas con tensiones y corrientes diferentes.
Sin embargo, como en todos los aparatos electrónicos podemos separar estas fuentes en dos tipos: las que deben alimentar dispositivos mecánicos como, por ejemplo, los motores y las que deben alimentar circuitos electrónicos.
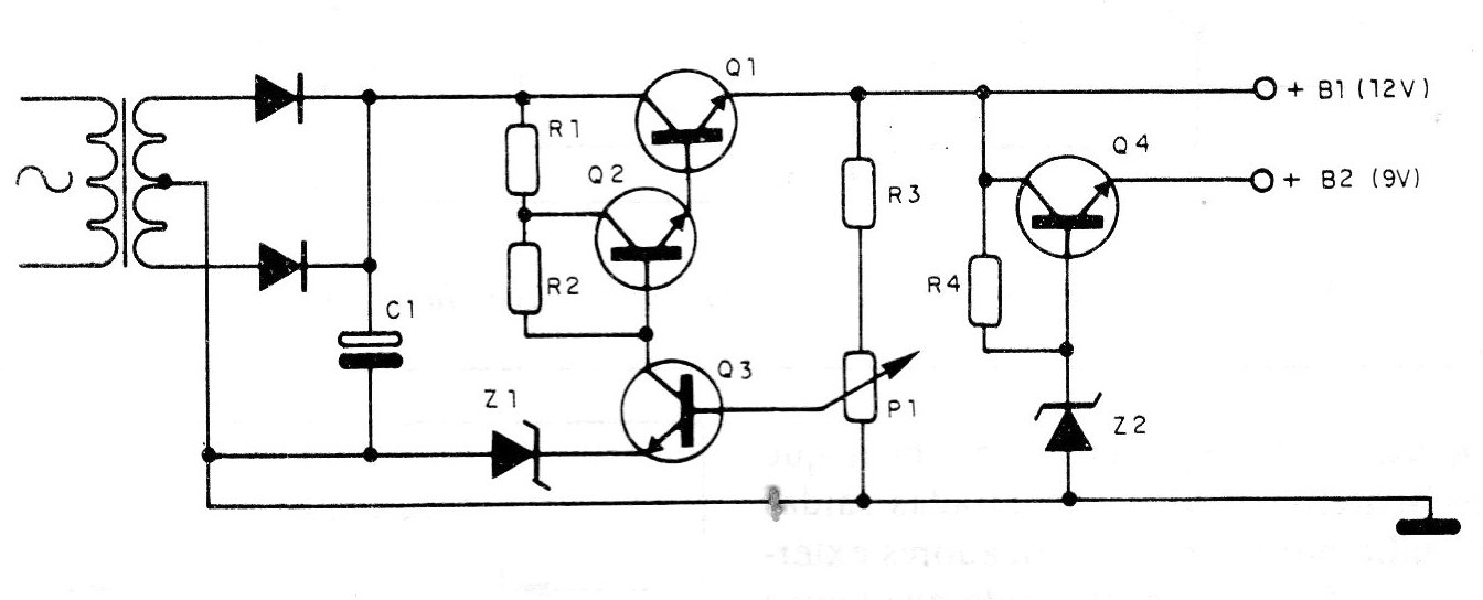
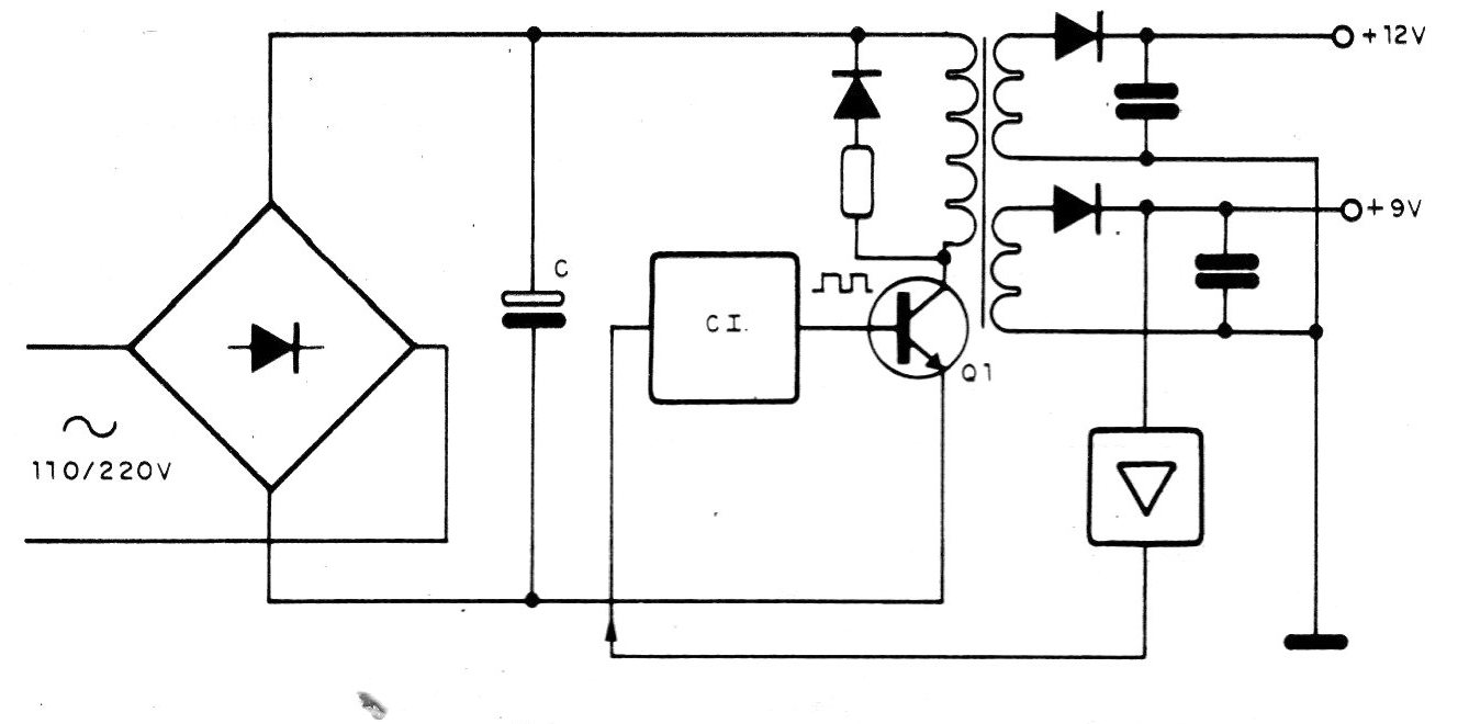
En estas fuentes vamos a encontrar dos tipos de reguladores: los convencionales o lineales como el mostrado en la figura 1 y un circuito conmutado como el mostrado en la figura 2.
Ya hemos visto en lecciones anteriores las formas de onda que se encuentran en las fuentes de alimentación lineal, de modo que el lector sabrá cómo utilizar el osciloscopio para medir tensiones, verificar ondulación y eventuales otros problemas que pueden ocurrir.
Muchas videocasetes de uso portátil o incluso que incluyen una cámara tienen además como fuente adicional de alimentación una batería recargable del tipo.
Para estas baterías existe en una fuente de alimentación que proporciona su recarga.
MODULADOR DE AUDIO
Las señales de audio obtenidas de una cinta de videocasete se deben llevar al televisor para su reproducción.
Si bien en los aparatos se encuentran salidas de audio puro para amplificadores externos, no es a partir de esta salida que tenemos la conexión al receptor de TV, como muestra la figura 3.
El televisor se sintoniza en un canal libre (3 o 4), y la señal que recibe es similar a la emitida por una estación convencional de TV, es decir, tiene una portadora de alta frecuencia en el rango de VHF que transporta tanto la señal de vídeo como audio.
Para ello, la videocasete cuenta internamente con un circuito modulador de audio apropiado.
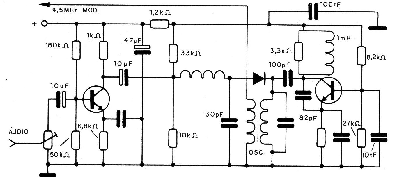
En la figura 4 tenemos el sector del modulador de audio de una videocasete convencional.
Analizamos su funcionamiento:
Este circuito tiene un oscilador de 4,5 MHz que es modulado por la señal de audio.
De esta forma, la señal de 4,5 MHz modulando en audio se aplica a la señal de vídeo en el rango de VHF apareciendo desplazado justamente de esta frecuencia, lo que necesita para su transmisión como muestra la figura 5.

Las señales obtenidas por el osciloscopio en este circuito tienen básicamente tres formas:
a) Señales de audio puros en las etapas de entrada (preamplificadores, filtros, etc.), pudiendo utilizarse un oscilador de audio o cinta estándar para realizar su análisis.
b) Señales de RF puros con frecuencia de 4,5 MHz modulados o no en los circuitos oscilador y modulación.
c) Señales moduladas sólo en la salida del circuito con componentes de audio y vídeo para la salida del circuito de TV.
El núcleo de las frecuencias más altas en el sector de audio están en torno a los 4,5 MHz cualquier osciloscopio permite su visualización con facilidades.
Las intensidades de las señales son pequeñas.
El osciloscopio se puede utilizar con eficiencia en los ajustes de frecuencia y las intensidades de modulación para obtener la mejor reproducción en el televisor.
CONCLUSIÓN
Conforme el lector puede percibir, los sectores de audio y de fuente de alimentación de un aparato de videocasete poco tienen de sofisticado, tanto en relación a los circuitos como a las señales encontradas lo que simplifica el uso del osciloscopio.
Tomando como base una cinta estándar o incluso la inyección de una señal el osciloscopio en esta aplicación también puede ser utilizado como un seguidor sofisticado de señales.
Debemos estar atentos tanto para las intensidades de las señales visualizadas como también sus frecuencias y formas de onda, siempre tomando como base el diagrama o manual de servicio del aparato.







