Este es un transmisor de pequeño tamaño que, instalado en una mesa, en un vaso o en algún objeto de decoración, capta las conversaciones (a través de su micrófono sensible) transmitiéndolas a un receptor cercano.
El circuito y potente y sus señales se pueden captar a más de 500 metros de distancia, tanto en un receptor de FM común como en un receptor de VHF.
Vale la información de que, operando en la banda de FM, tenemos mayor probabilidad de que las señales sean captadas por alguna radio común y así la escucha sea descubierta. Por este motivo, se da preferencia a la operación en el rango de VHF, para lo cual el operador debe tener un receptor apropiado.
La alimentación puede ser hecha con tensiones de 6 a 12 V, siendo que con mayores tensiones tenemos mayores potencias y por eso mayor alcance.
Una etapa amplificadora para el micrófono garantiza una buena sensibilidad para el aparato, permitiendo así que los sonidos en un radio de 3 metros, de una conversación en voz normal, sean captados con facilidad.
COMO FUNCIONA
El circuito emplea dos transistores y tiene una simplicidad relativa. No es conveniente tener configuraciones muy complejas para este tipo de aparato, ya que crecería en tamaño y así sería más difícil de ocultar.
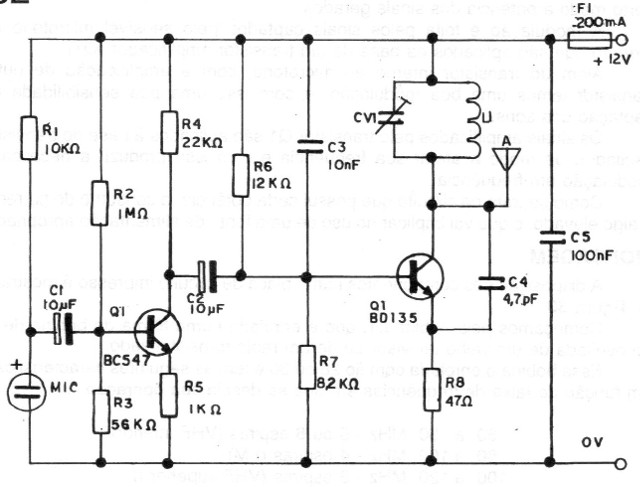
En la figura 1 tenemos el diagrama completo de nuestro transmisor para espionaje en una versión de largo alcance.

Tenemos entonces un transistor de media potencia, de uso general, oscilando en alta frecuencia y siendo el responsable por la producción de las señales de radio.
La bobina L1 y CV1 determinan la frecuencia de funcionamiento de este transmisor.-
Con el uso de bobinas apropiadas podemos operar este circuito en frecuencias entre 50 y 150 MHz.
Las resistores R6 y R7 polarizan el transistor, determinando su punto de operación. El resistor de emisor R8 limita la corriente en el circuito y, por lo tanto, fija en cierto modo la potencia de las señales generadas.
La modulación es hecha por las señales captadas por el sensible micrófono de electreto que se aplican en la base de un transistor amplificador (Q1).
Además del transistor interno al micrófono, con la amplificación de otro transistor tenemos una buena modulación, y con ello una buena sensibilidad en la captación de los sonidos.
Las señales amplificadas por el transistor Q1 se aplican a la base del transistor oscilador, para afectar su frecuencia y con ello producir la necesaria modulación en frecuencia.
Como se trata de circuito que posee cierta potencia, el consumo de corriente es algo elevado, lo que va a implicar en el uso de una fuente de alimentación apropiada.
MONTAJE
Comenzamos por la bobina L1, que es enrollada en un molde, de bobina de Fl aprovechada de un viejo televisor o de una radio transistorizada.
Esta bobina está enrollada con hilo 28 o 30 y tiene las siguientes características, en función del rango de frecuencias en que se desea su operación:
50 a 80 MHz - 5 o 6 espiras (VHF inferior)
80 a 100 MHz - 4 espiras (FM)
100 a 120 MHz - 3 espiras (VHF superior)
120 a 150 MHz - 1 o 2 espiras (VHF superior ll)
Los resistores son de 1/8 W o mayores y los capacitores son básicamente de dos tipos. C1 y C2 son electrolíticos con tensión de trabajo de al menos 12 V, mientras que los demás deben ser cerámicos tipo disco.
CV1 es un trimmer común de plástico o base de porcelana y su valor no es crítico pudiendo quedar en el rango de 20 a 50 pF.
El micrófono de electreto tiene polaridad correcta para conexión, quedando el lado positivo del lado de C1 y el negativo en el punto de 0 V del circuito.
Para el transistor Q1 equivalentes NPN de uso general se pueden utilizar y para Q2 damos como equivalentes el BD137 y el BD139. En el caso de la alimentación de 12 V, se debe utilizar un radiador de calor en este componente.
La antena consiste en un pedazo de hilo rígido de 15 a 80 cm, según la disponibilidad de espacio en el lugar donde se oculta el aparato.
El fusible es importante si el aparato se utiliza en un coche (para escuchar conversaciones en su interior) o con fuente de alimentación externa, para protección.
Para las alimentaciones de 6 a 9 V se pueden utilizar pilas grandes que garantizarán la autonomía de algunas horas. Para alimentación de 12 V se debe utilizar una fuente de al menos 1A o una batería.
Si hay dificultades para ocultar la batería junto al transmisor, una posibilidad es utilizar un cable largo para el micrófono. Este cable debe ser blindado para que no se produzcan roncos en la transmisión.
Si se utiliza una fuente de alimentación, debe tener un filtro muy bueno para que no se produzcan roncos en la transmisión.
AJUSTANDO Y USANDO EL TRANSMISOR
Para ajustar el transmisor conecte cerca un receptor que capte la frecuencia que corresponda a la banda de la bobina usada.
Coloque el receptor en frecuencia libre y ajuste CV1 hasta que alcance la señal con máxima estabilidad. Se puede utilizar una antena más pequeña para este ajuste inicial.
Después, es sólo instalar el aparato en el local que se desea vigilar y ajustar nuevamente CV1 para que el aparato opere en la frecuencia deseada.
Para grabar las conversaciones utilice un receptor que tenga salida para amplificador, conectándolo a la entrada de una grabadora, para obtener una mayor calidad de sonido.
Evite instalar el micrófono en la propia mesa de conversaciones o en objetos que se muevan, pues ese movimiento, el golpe de la mano y de objetos en una mesa producen ruidos que perjudican la transmisión y hasta llegan a instabilizar el transmisor.
Por sus dimensiones, este aparato es mucho más fácilmente escondido en un coche, de modo que, personas de otro coche cercano puedan, acompañar conversaciones a distancia segura e incluso hacer su grabación.
Semiconductores:
Q1 - BC547 o equivalente - transistores NPN de uso general
Q2 - BD135 - transistores NPN de media potencia
Resistores: (1/8 W, 5%)
R1 - 10 k ohms
R2 - 1 M ohms
R3 - 56 k ohms
R4 - 22 k ohms
R5 - 1 k ohms
R6 - 12 k ohms
R7 - 8,2 k ohms
R8 - 47 ohms
Capacitores:
C1, C2 - 10 uF / 16V - electrolítico
C3 - 10 nF - cerámico
C4 - 4,7 pF - cerámico
C5 - 100 nF - cerámico
CV1 - trimmer - ver el texto
Varios:
MIC - micrófono de electreto de dos terminales
F1 - fusible de 200 mA
A - antena - ver texto
Placa de circuito impreso, forma para bobina, caja para montaje, soporte de pilas o batería, cable blindado para el micrófono, hilos, soldadura, etc.



