El transmisor descrito a continuación puede conectarse a una línea telefónica para transmitir conversaciones a distancia, en la salida de las grabadoras o amplificadores, con la misma finalidad. Con alimentación de 3 a 6 V y usando un BF495 tendremos alcance entre 50 y 200 metros. Con el 2N2218 y alimentación de 9 a 12 voltios tendremos alcance de 500 a 2 000 metros.
En un libro de espionaje de los 80 este artículo fue actualizado para la edición de 2015 y puede aún ser montado con mucha facilidad, pues usa componentes comunes.
Evidentemente, este alcance depende del lugar, de la sensibilidad del receptor y del posicionamiento de su antena.
Este transmisor cuenta en la entrada con un par de hilos con garras para su conexión en las más diversas fuentes de señales y puede ser fácilmente transportado, para ello siendo montado en una pequeña caja plástica conforme muestra la figura 1.

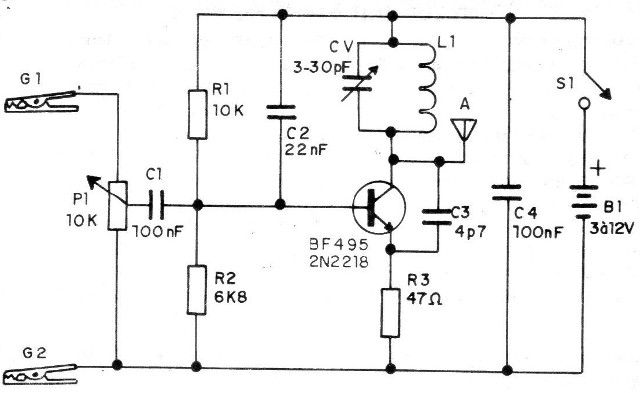
El diagrama completo de este pequeño transmisor alimentado por pilas o batería (con batería de 9V su autonomía será reducida), se muestra en la figura 2.

En la figura 3 tenemos la disposición de los componentes en una pequeña placa de circuito impreso.

Las bobinas pueden ser igual a la del primer transmisor de esta serie, según la frecuencia (FM o VH F) elegidas.
Para usar en una línea telefónica basta con conectar la garra a los hilos. Ver que, como este circuito no "carga" alinea, no puede ser acusado por detectores de extensión.
Para transmitir señales de grabadoras y otros aparatos basta con conectar la garra a su salida de audio. El trimpot ajusta el nivel de modulación para que no haya distorsión del sonido.
Para las versiones que operan por debajo de 80 MHz, el capacitor C3 debe ser aumentado a 22 o incluso 47 pF, mientras que para las versiones superiores a 110 M Hz este capacitor debe ser reducido a 1 pF
Para usar, la antena debe estar en posición vertical, consistente en un hilo de 15 a 100 cm, y no debe quedar cerca de grandes objetos metálicos que puedan causar problemas de emisión.
SEMICONDUCTORES
Q1 - BF495 o 2N2218 - transistores de RF - ver texto
RESISTORES
R1 -10 k - resistor (marrón, negro, naranja) l
R2 - 6K8 - resistor (azul, gris, rojo)
R3 - 47 ohmios - resistor (amarillo, violeta, negro) - 1W para la versión de 9 y 12 V y ¼ W para las demás
P1 - 10 k - trimpot
CAPACITORES
CV- 3 - 30 pF- trimmer
C1 - 100 nF - capacitor de cerámica
C2 - 22 nF - capacitor de cerámica
C3 - 4,7 pF - capacitor de cerámica
C4 - 100 nF- capacitor cerámico
DIVERSOS
B1 - 3 a 12 V - ver texto - pilas o batería
S1 - Interruptor simple
G1, G2 - Garras de jacaré
L1 - Bobina - ver el texto
A - antena
Placa de circuito impreso, caja para montaje, conector de batería o soporte de pilas, hilos, soldadura, etc.



