A medida que el alcance de un localizador aumenta, también se vuelve mayor su tamaño, lo que es importante para que se planifique su utilización. El localizador que describimos puede tener de 1 a 2 km de alcance cuando es alimentado por la batería de un coche, sirviendo así para rastrear un coche que lleve, por ejemplo, un enemigo a un escondrijo si no se desea hacer una persecución directa. Este aparato podría ser utilizado, por ejemplo, en un coche que lleva secuestradores.
Este artículo forma parte de uno de mis libros de espionaje editado por primera vez en la década de los 80 y ahora (2015) actualizado.
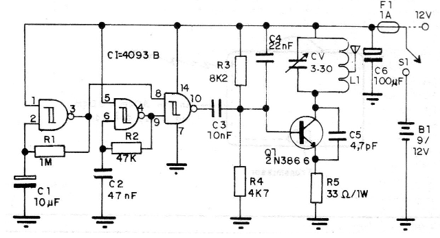
En la figura 1 tenemos el diagrama completo del aparato, observándose que tenemos la misma configuración del aparato anterior, modificando sólo el transistor del sector de transmisión y los componentes de polarización.

La disposición de los componentes en una placa de circuito impreso se muestra en la figura 2.

Las bobinas son las mismas del proyecto anterior (TEL183) y como antena podemos usar la propia telescópica del coche, por supuesto, inutilizando la radio, principalmente si es de FM, pues puede ocurrir interferencia.
Se debe tener en cuenta el consumo de corriente del aparato, que puede comprometer la batería del vehículo si tiene que operar por mucho tiempo y no hay movimiento para la recarga. De cualquier forma una batería de coche permite una autonomía de muchas horas con este tipo de transmisor.
SEMICONDUCTORES
CI-1 - 40938 - circuito integrado
Q1 - 2N3866 - transistores de RF
RESISTORES
R1 - 1 M - resistor (marrón, negro, verde)
R2 - 47 k - resistor (amarillo, violeta, naranja)
R3 - 8,2 k - resistor (gris, rojo, rojo)
R4 - 4,7 k - resistor (amarillo, violeta, rojo)
R5 - 33 ohms - resistor (naranja, naranja, negro)
CAPACITORES
CV - 3-30 pF - trimmer
C1 - 10 uF x 16V - capacitor electrolítico
C2 - 47 nF - capacitor de cerámica o poliéster
C3 - 10 nF - capacitor de cerámica
C4 - 22 nF - capacitor de cerámica
C5 - 4,7 pF - capacitor de cerámica
C6 - 100 uF x 16V - capacitor electrolítico
DIVERSOS
L1 - ver texto - bobinas
F1 - 2 A - fusible
Placa de circuito impreso, caja para montaje de hilos, soldadura.



