Si bien las ondas cortas están cada vez menos siendo utilizadas para la radiodifusión, todavía existen estaciones en operación y lectores que poseen receptores para esta pista. Describimos un circuito que ayuda a recibir mejor las señales de estas estaciones.
Para recibir buenas estaciones de onda corta no basta tener una buena antena y un buen receptor.
Es necesario que el acoplamiento entre la antena y el receptor sea bueno, y no depende sólo de estos dos elementos, sino también de la frecuencia de la señal que se está recibiendo.
Para adaptar el acoplamiento entre la antena y el receptor es posible utilizar un pre-selector, que consiste en un circuito de acoplamiento pasivo formado por bobinas y condensadores.
Describimos en este artículo el montaje de uno de ellos que puede aprovechar capacitores variables retirados de antiguos receptores valvulados.
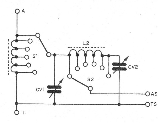
El circuito se muestra en la figura 1.

El aspecto del montaje, que también utiliza llaves selectoras que pueden ser aprovechadas de aparatos antiguos se muestra en la figura 2.

El conjunto puede ser instalado en una caja plástica para mayor facilidad de uso.
Las bobinas consisten en bobinas con hilo 28 o 30 con tomas de 10 en 10 espiras.
La cantidad de tomas dependerá del número de posiciones de las llaves que usted pueda alcanzar para su proyecto.
Para usar, basta con sintonizar una emisora en el receptor y luego ajustar la clave para una mejor recepción.
L1, L2 - Bobinas - ver texto
CV1, CV2 - capacitores variables - ver texto
Varios:
Bastón de ferrita, hilos, soldadura, caja para montaje, etc.



