Aunque esta sección lleva el título de Radio Control, en verdad también vemos otros tipos de control remoto que no emplean las ondas de radio, tales como los ultrasónicos, los luminosos (visibles e invisibles), y hasta incluso los que hacen uso de medios físicos, como los que trataremos esta vez. De hecho, un control remoto también admite el uso de cables, y en algunos casos puede ser hasta ventajoso, como veremos.
El hecho de tener un control remoto no significa necesariamente que no deba existir algún medio de conexión física entre el objeto controlado y el controlador. En algunos casos la utilización de un medio físico puede ser ventajosa, principalmente si el objeto controlado fuera fijo y el controlador no precisa gran movilidad.
Es el caso de sistemas remotos de abertura de puertas de garajes a partir de controles dentro de la casa, o bien de señalización.
En la figura 1 mostramos, de forma simplificada, un sistema que puede perfectamente hacer uso de cables comunes de conexión entre la estación de comando y el objeto comandado.

Si bien para la mayoría de los lectores el control de este tipo sea lo más obvio, existen soluciones interesantes que merecen ser analizadas, pues implican tanto mayor eficiencia como una gran economía de material.
En este artículo procuraremos justamente abordar algunas de estas soluciones.
Control simple por dos alambres
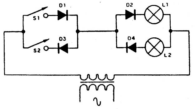
Una idea simple de control remoto de dos lámparas usando solo un par de conductores, y tal vez ya conocida por muchos lectores, aparece en la figura 2.

Lo que tenemos es un transformador que proporciona una tensión alterna para la alimentación del circuito.
La tensión del bobinado de este transformador debe estar de acuerdo con las lámparas que se quieren controlar.
Se usan entonces cuatro diodos, polarizadas, par a par según la lámpara que deba ser controlada.
Cuando el interruptor 1 se cierra apenas conducen los diodos D1 y D2, la lámpara L1 se enciende. Cuando el interruptor 2 se cierra apenas los diodos D3 y D4 conducen y se enciende la lámpara L2.
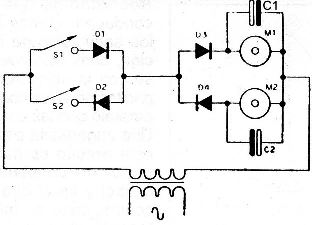
Este circuito puede usarse perfectamente en el control de dos motores de corriente continua, y en este caso agregamos los capacitores C1 y C2 cuya finalidad es permitir una operación toda potencia, incluso con la conducción de mitad de los semiciclos (figura 3).

El valor del capacitor debe ser tanto mayor cuanto mayor fuera la corriente del motor, y se lo obtiene experimentalmente para que la tensión en sus extremos corresponda a la tensión máxima que el motor debe recibir.
En la figura 4 vemos ahora el circuito usado en el disparo de dos relés, caso en que cargas de naturalezas diferentes pueden ser fácilmente controladas, pues sus circuitos son completamente independientes.

Las tensiones de las bobinas de los relés deben estar de acuerdo con los transformadores usados y nuevamente encontramos los capacitores que ayudan en la estabilidad de su acción.
Para un transformador de 12V, por ejemplo, con corriente de secundario de 500 mA, se pueden emplear relés del tipo DIL comunes.
EI montador de este sistema debe tener en cuenta que, operando con baja tensión, la influencia de la resistencia del cable se vuelve mayor, lo que limita su largo. Para una tensión de 12V el largo máximo con un cable común esta alrededor de 20 metros.
Pasando a una sofisticación electrónica, damos la figura 5 con el circuito de un control doble con graduación continua, o sea, un par de dimmers remotos.

Se usan dos diodos comunes en la estación transmisoras y, en lugar de los interruptores, potenciómetros de 100 a 220 k, según la banda de velocidades deseadas y la tensión del transformador.
En el receptor en lugar de los diodos se usan SCRs del tipo MCR106 ó C106 con tensiones de operación a partir de 50 V. Los capacitores C1 y C2 determinan el retardo del disparo de cada SCR en función de la fase de alimentación y con esto la parte de cada semiciclo conducido. Cuanto mayor es la parte, mayor es la velocidad.
Los valores de estos capacitores dependen de la tensión de alimentación del circuito y pueden situarse entre 100 nF y 470 nF.
Recordamos que los SCRs conducen apenas la mitad de los semiciclos de la alimentación, pero esto puede corregirse con la utilización de un capacitor de valor conveniente en paralelo con las cargas.
Una sugerencia para el uso de este circuito es hacer girar un motor en un sentido con un control y en el otro con el otro control, caso en que se puede tener la abertura y cierre de una puerta, o bien en un juguete la elevación y descenso de una carga, como sugiere la figura 6.

A esta altura los lectores seguramente ya han sentido que a partir de estos circuitos relativamente simples se pueden desarrollar muchos proyectos.
Más canales
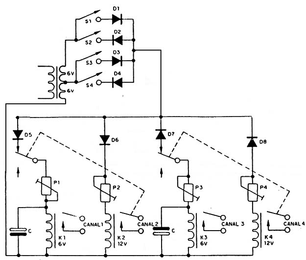
Para el caso en que se desee el control de más canales con sólo dos cables de interconexión entre las estaciones, existen soluciones.
En la figura 7 tenemos entonces una sugerencia que puede servir de punto de partida para un proyecto más complejo.

Lo que tenemos es la ampliación del sistema inicial de dos canales con dos diodos agregándose el escalonamiento en el accionamiento de relés. Con este recurso pasamos de 2 relés a 4.
El funcionamiento de este sistema puede analizarse de la siguiente forma:
En la estación emisora tenemos un transformador de dos tensiones, de modo que en el receptor usamos relés con dos tensiones diferentes de operación.
El punto ideal de funcionamiento de cada relé puede ajustarse a través de un trimpot, ya que las corrientes de bobina son pequeñas.
En el relé de menor tensión se usa también un capacitor de retardo cuya finalidad será explicada a continuación. Cuando el interruptor que acciona el relé de menor tensión es presionado, este con un pequeño retardo cierra sus contactos y conecta el circuito de carga.
Este pequeño retardo de fracción de segundo no es suficientemente grande para percibirse, pero es importante, como veremos.
Ahora, si accionamos el interruptor que lleva mayor tensión al circuito, los dos relés deben cerrar sus contactos, ya que los relés no operan por bandas, sino por valores mínimos.
Mientras tanto, como el relé de menor tensión está provisto de un circuito de retardo, el de mayor tensión cierra primero, y con esto, poseyendo contactos múltiples, desconecta al de menor tensión, o mejor, corta su alimentación antes que el mismo se cierre.
Con la tensión mayor, solamente el de mayor tensión se mantiene activado.
Está claro que este sistema no permite que sean accionados simultáneamente más de dos relés, y siempre estos dos relés deben ser los que responden a fases opuestas.
Una posibilidad de expansión de este circuito para mayor número de canales puede imaginaría el lector con la utilización de circuitos electrónicos comparadores.
En este caso, el número de canales estará apenas limitado por la capacidad de distinción de los comparadores.



