Aunque el efecto de un tratamiento de estimulación eléctrica no está todavía plenamente probado en el caso de celulitis, hay algunas empresas que adoptan esta técnica. Si el lector desea tentar este tipo de tratamiento, o incluso industrializar el equipo, siempre en busca de información técnica en el campo médico en el que apoyan, da este artículo el montaje de un estimulador bastante simple.
Los estudios sobre los efectos de la estimulación eléctrica sobre la piel en el tratamiento de la celulitis no han llegado a conclusiones finales, podemos encontrar en diversos equipos de anuncios para este propósito, un uso muy simple y personal.
No se recomienda el uso de dichos equipos sin una previa consulta médica, pero si el médico libera, podemos enseñarte a montar un solo estimulador. El circuito presentado genera pulsos de alto voltaje que estimulan la piel en el sitio de celulitis por forzar al cuerpo a reaccionar y así, según afirman ellos mismos, haciendo que un tratamiento de modificación del entorno fisiológico del problema.
Por supuesto, el circuito debe utilizarse con gran moderación y nunca sin un asesoramiento experto. Si el lector quiere industrializar el circuito, también es importante tener en cuenta que hay no hay resultados médicos para asegurar su eficacia total.
Cómo funciona
La idea básica es un circuito para generar alto voltaje de frecuencia media que puede ser aplicado a los electrodos de estimulación. Esta tensión puede ajustarse entre 0 y 150 V e así que usted puede encontrar un punto de que es sensible, pero no desagradable. En la figura 1 nos da una idea de cómo se pueden montar estos electrodos.

Para garantizar una mayor seguridad en la aplicación, el dispositivo es accionado por las baterías que tienen una buena durabilidad de la aplicación.
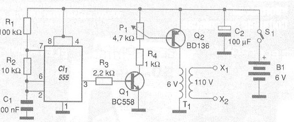
Tenemos un oscilador de baja frecuencia, en algún lugar alrededor de 500 Hz, diseñado en torno de uno 555. La señal rectangular de este oscilador se aplica a una etapa con dos transistores que tienen un control de intensidad.
El control determina la señal aplicada a un transformador elevador. En el devanado de alta tensión del transformador tenemos entonces la señal se aplica a los electrodos.
Montaje
En la figura 2 tenemos el diagrama completo estimulador para el tratamiento de la celulitis .

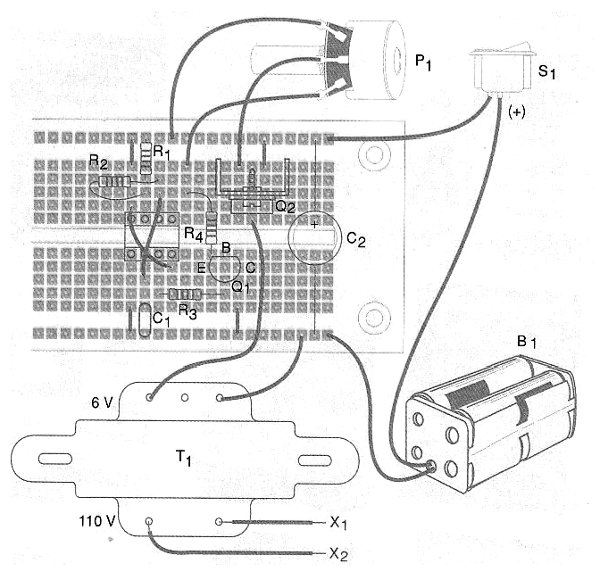
El montaje puede realizarse en una placa de circuito impreso con estándar matriz de contactos, como se muestra en la figura 3.

El transformador puede ser de cualquier tipo que tiene un bobinado primario de 110 V o 220 V y secundario 6 V con corrientes entre 250 mA y 500 mA. Con un transformador pequeño, el dispositivo cabe en una caja, como se muestra en la figura 4.

El transistor de potencia debe estar equipado con un radiador de calor pequeño que consta de una pequeña placa de metal. Los demás componentes no son críticos y para el potenciómetro puede usarse una escala que permite mejor ajuste la intensidad de los estímulos.
Prueba y uso
Para probar, simplemente toque los electrodos en la piel y encender la unidad, inicialmente con el potenciómetro en la posición mínima. Luego ir girando el potenciómetro hasta que un leve cosquilleo.
La aplicación deberá presentarse con esa intensidad en secciones de 10 a 20 minutos por día y una idea de perfeccionar el proyecto consiste en cambiar R1 por una resistencia de 10 k ohms y conectar en serie con un potenciómetro de 1 M? para el control de la frecuencia.
Importante: Nunca alimente este circuito con la fuente sin transformador.
C I -1-555- Circuito integrado de CMOS
Q1 - BC558 o equivalente –Transistor PNP de uso general
Q2 - BD136 o equivalente -transistor PNP de media potencia
R1 - 100 k ohms x 1/8 W - resistor - marrón, negro, amarillo
R2 - 10 k ohms x 1/8 W - resistor - marrón, negro, naranja
R3 - 2.2 k ohms x 1/8 W - resistor – rojo, rojo, rojo
R4 - 1 k ohms x 1/8 W – resistor - marrón, negro, rojo
C1 - 100 nF - capacitor cerámico o de poliéster
C2 - 100 uF x 12 V - capacitor electrolítico
S1 - Interruptor simples
B1- 6 V – 4 baterías pequeñas
P1 - 4.7 k ohms - potenciómetro lineal
T1 - transformador con primario 110 V o 220 V y secundario 6 V con 250 a
500 mA
X1, X2 – electrodos - ver texto
Misceláneos:
Placa de circuito impreso universal, soporte de la batería, caja, botón para el potenciómetro, radiador de calor para Q2, alambre, soldadura, etcétera.



