Intercalado entre el captador del instrumento y la entrada del amplificador, este circuito produce el efecto de temblor, o sonido temblor, que puede ajustarse en frecuencia e intensidad por dos controles. El circuito es simple de montar y es alimentado por batería de 9 V.
Describimos un circuito de efecto que hace uso de un transistor unijuntura y un transistor común. Lo que el circuito hace es modular la intensidad del sonido de un instrumento musical para obtener un efecto temblor. Montado en una cajita de metal, para servir de blindaje, tiene bajo consumo, lo que garantiza una excelente durabilidad para la batería.
Como funciona
La base del circuito es un oscilador de relajación con un transistor unijuntura. La frecuencia de este oscilador está determinada básicamente por el capacitor C1 y el ajuste de P1. Este oscilador determina la modulación o la velocidad del efecto.
La señal de este oscilador se aplica a un transistor que actúa sobre el paso de la señal del captador al amplificador. La señal entre por J1 y sale por J2 o viceversa, ya que el circuito no tiene sentido de funcionamiento determinado.
Montaje
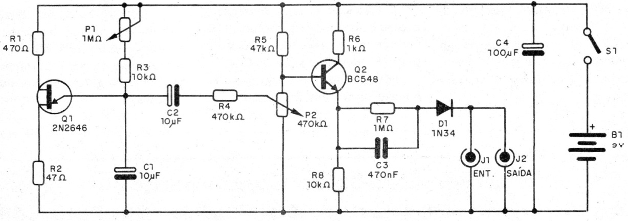
En la figura 1 tenemos el diagrama completo del efecto.
La placa de circuito impreso para el montaje se muestra en la figura 2.
En el montaje, observe las posiciones de los transistores y la polaridad del diodo. Los resistores son de 1/8 W y los cables de entrada y salida de señales deben ser blindados para que no ocurran roncos.
Para probar, basta con intercalar el aparato entre el captador del instrumento y la entrada del amplificador. Ajuste P1 y P2 para obtener el efecto deseado.
Lista de material
Q1 - 2N2646 - transistores unijuntura
Q2 - BC548 - transistores NPN de uso general
D1 - 1N34 - diodo de germanio
P1 - 1 M ohms - potenciómetro
P2 - 470 k ohms - potenciómetro
S1 - Interruptor simple
B1 - 9 V - batería
R1 - 470 ohms - resistor - amarillo, violeta, marrón
R2 - 47 ohms - resistor - amarillo, violeta, negro
R3, R8 - 10 k ohms - resistor - marrón, negro, naranja
R4 - 470 k ohms - resistor - amarillo, violeta, amarillo
R5 - 47k ohms - resistor - amarillo, violeta, naranja
R6 - 1 k ohms - resistor - marrón, negro, rojo
C1, C2 - 10 uF x 12 V - capacitor electrolítico
C3 - 470 nF - capacitor de poliéster
C4 - 100 uF x 12 V - capacitor electrolítico
Varios:
Placa de circuito impreso, conector de batería, caja para montaje, jack, cables blindados, soldadura, etc.





