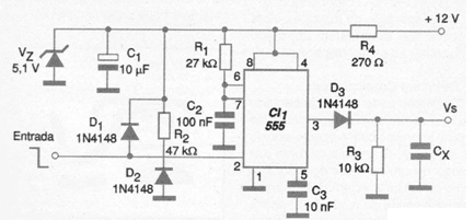
La finalidad de este circuito es convertir la velocidad de apertura y cierre de un sensor on/off en una tensión proporcional. El circuito puede convertir señales hasta 500 kHz en tensiones que varían entre 0 y cerca de la tensión de alimentación. En la figura 1 tenemos el diagrama completo del tacómetro.

 

 


 

 

 

 

Utilidades:

 

• Medir velocidad de rotación de piezas o vibraciones en máquinas industriales.

• Medir la velocidad de desplazamiento de un vehículo o parte móvil de una máquina por la producción de pulsos de un sensor.

• Medir la frecuencia de objetos que oscilan con el uso de un sensor apropiado.

• Medir la rotación de motores tanto de coche como eléctricos con el uso de sensores o de la propia señal de un platinado en motores antiguos.

   

 

Detalles constructivos:

 

   La placa de circuito impreso del sensor se muestra en la figura 2.

 


| Clique na imagem para ampliar |

 

 

   Se trata de un multivibrador monoestable cuya distancia entre los pulsos de salida disminuye cuando la frecuencia de los relojes aumenta. La señal de salida está integrada por Cx cuyo valor debe obtenerse experimentalmente en el rango de 1 nF a 1 uF dependiendo del rango de frecuencias que debe medirse. Cada pulso de disparo se obtiene llevando la entrada del circuito momentáneamente al nivel bajo.

   El circuito puede operar con tensiones en el rango de 5 a 18 V, pero los valores indicados, principalmente del zener son para una tensión de alimentación de 12 V. El capacitor C2 también debe tener su valor experimentado de acuerdo con el rango de frecuencias que debe medirse.

 

 


 

 

 

 

Lista de material:

 

Semiconductores:

CI-5 - 555 - circuito integrado

Z1 - 5,1 V - diodo zener

D1, D2, D3 - 1N4148 - diodos de uso general

Resistores: (1/8 W, 5%)

R1 - 27 k ohms

R2 - 47 k ohms

R3 - 10 k ohms

R4 - 270 ohms

Capacitores:

C1 - 10 uF x 6 V - electrolítico

C2 - 100 nF - cerámico o poliéster

C3 - 10 nF - cerámico o poliéster

Cx - 1 nF a 1 uF - ver texto

Varios:

Placa de circuito impreso, hilos, soldadura, etc.