En torno a los cables de energía embutidos en las paredes y por donde circulan corrientes eléctricas intensas se crea un campo magnético que puede ser detectado por aparatos sensibles. Por la presencia del campo magnético podemos fácilmente localizar cables embutidos en canalizaciones plásticas u otros pasajes ocultos. - Newton C. Braga
Lea más:
El detector descrito se basa en un circuito integrado CMOS extremadamente sensible que, al detectar las señales, produce un sonido de advertencia en un transductor. El circuito es muy simple ya que además del circuito integrado y de la batería tenemos sólo tres componentes pasivos adicionales de bajo costo.
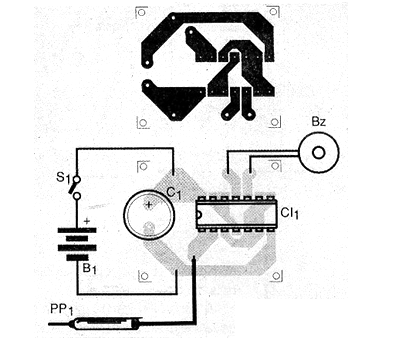
La sensibilidad del circuito se debe a la elevadísima impedancia de entrada del circuito integrado CMOS. En la figura 1 tenemos el diagrama completo del detector.

La placa de circuito impreso para este montaje se muestra en la figura 2.

Junto con la fuente de alimentación, que consiste en pilas o batería de 9 V, el circuito cabe fácilmente en una caja plástica de pequeñas dimensiones. El sensor consiste en una placa de metal fijada en la parte inferior de la caja. El transductor piezoeléctrico puede ser de cualquier tipo, incluso una cápsula de micrófono o tweeter piezoeléctrico común (sin el transformador interno).
También se puede utilizar, como se indica en la figura, una punta de prueba como sensor, operando como una especie de antena que debe ser aproximada del lugar en que se desea verificar si existe o no un campo eléctrico. Para utilizar el aparato es sólo pasar el sensor cerca de la pared, evitando el contacto directo y observar cuando hay emisión de sonido por el transductor BZ.
Movimiento con cuidado del sensor por la pared podemos levantar la trayectoria de los cables embutidos de acuerdo con el patrón de emisión de los sonidos.
El capacitor C1 debe tener una tensión de trabajo de 6V o más y S1 es opcional ya que cuando el aparato está fuera de uso basta con retirar las pilas o la batería.
LISTA DE MATERIAL
Semiconductores:
CI-1 - 4093B - circuito integrado CMOS
Capacitor:
C1 - 10 uF / 6V - electrolítico
Varios:
PP - sensor - ver texto
BZ - transductor piezoeléctrico - ver texto
S1 - Interruptor simple
B1 - 3, 6 o 9V - pilas o pilas
Placa de circuito impreso, soporte de pilas o conector de batería, caja para montaje, hilos, soldadura, etc.



